Anonymer Käufer


 









 






 
 


DCOE
DCO/SP

IDF

DG/DF

IDA

IDA 3C

Dellorto
DHLA

Dellorto
DRLA

Throttle
bodies

Solex


Carb manufacturer: Carb model:
  Share link to this diagram
   Explosionszeichnung als PDF herunterladen   

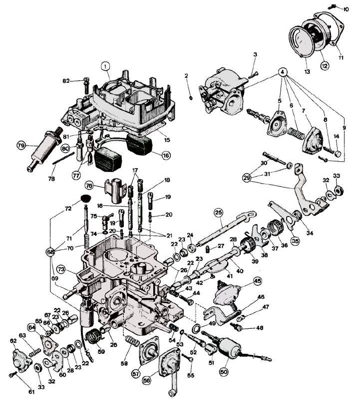
WEBER 32/34 DFT parts diagram


- Klicken Sie auf ein Teil, um mehr zu sehen




Liste der Teile:

NoTeil Nr.PreisSt.Beschreibung
1Not Serviced-1Top Cover Assembly
241565.008$ 1.21Auto Choke O-Ring Seal
364565.001-3Auto Choke Fixing Screw
457804.400-1Auto Choke Assy. Including
547407.159-1Choke Diaphragm
6Not Serviced-1Diaphragm Loading Spring
7Not Serviced-1Diaphragm Cover
8Not Serviced-1Diaphragm Adjusting Screw
9Not Serviced-3Diaphragm Cover Fixing Screw
1064615.005-3Plate Fixing Screw
1152135.029$ 3.31Thermostat Housing Lock Ring
1257804.416-1Thermostat Housing
1341640.056-1Heat Sealing Gasket
14Not Serviced-1Screw Plug
1541705.057-1Carburetor Cover Gasket
1641030.012-1Float
1777501$ 102Air Correction Jet
1861450$ 14.62Emulsion Tube
1952570.004$ 13.32Idle Jet Holder
2074403$ 5.12Idle Jet
2173405$ 6.72Main Jet
2255510.087-4Carb Washer
2352130.010$ 6.64Shaft Bearing Plate
2412750.085$ 5.31Spacer
2510015.255-1Secondary Shaft
2652130.010$ 6.64Shaft Bearing Plate
27Not Serviced-1Secondary Throttle Adjusting Screw
2855555.019$ 1.72Washer
29Not Serviced-1Throttle Valve Control Lever Including
3064595.025-1Fast Idle Adjusting Screw
3134715.018-1Adjusting Screrw Fixing Nut
3255520.002$ 1.42Lock Washer
3334715.014$ 1.42Primary Shaft Fixing Nut
3447610.109-1Bushing For Free Lever
3545069.015-1Free Lever
3647610.109-1Spring For Free Lever
3712750.087-1Spacer
38Not Serviced-1Primary Throttle Control Lever
3947610.118-1Primary Shaft Return Spring
40Not Serviced-1Primary Shaft
4164005.090$ 221Primary Throttle Plate
4264520.027-4Throttle Plate Fixing Screw
4347600.007$ 3.11Spring Primary Throttle Lever
4464625.012$ 10.81Primary Throttle Adjusting Screw
4510104.001-1Dash Pot
46Not Serviced-1Dash Pot Bracket
4734715.008-1Dash Pot Fixing Nut
48Not Serviced-1Dash Pot Bracket Fixing Screw
4941535.003-1Idle Cut Off Solenoid Gasket
5043840.014-1Idle Cut Off Solenoid
51Not Serviced-1Mixture Screw Tamper Proof Plug
5264750.051$ 141Idle Mixture Adjusting Screw
5341565.001-1Mixture Screw O-Ring Seal
5447600.095$ 2.81Idle Mixrure Screw Spring
5564565.001-4Pump Cover Fixing Screw
56Not Serviced-1Pump Cover
5747407.261$ 13.51Pump Diaphragm
5847600.107$ 12.41Pump Loading Spring
5947610.012$ 5.11Primary Shaft Return Spring
60Not Serviced-1Pump Cam
61Not Serviced-3Power Valve Cover Fixing Screw
62Not Serviced-1Power Valve Cover
6347600.131-1Power Valve Diaphragm Spring
6447407.156-1Power Valve Diaphragm
6534705.001$ 11Secondary Shaft Fixing Nut
6655525.001-1Spring Washer
67Not Serviced-1Washer
6892.4052.05-1EVAP Solenoid Includes
6941535.009-1Gasket
70Not Serviced-1Spring
71Not Serviced-1Spindle
72Not Serviced-1Sealing Valve
73Not Serviced-1Carburetor Body
7441565.002-1Pump Jet O-Ring
7576407$ 18.41Pump Jet
7671115-2Auxiliary Venturi
7779519-1Needle Valve
7852000.036$ 2.61Float Fulcrum Pin
7937022.005$ 8.31Strainer
8010525.032-1Return Fuel Line Pipe
8183102.070-1Needle Valve Gasket
82-

WEBER 32/34 DFT
Exploded view

https://www.carbparts.euPreise und Produktverfügbarkeit können sich ändern

WEBER 32/34 DFT
Liste der Teile

https://www.carbparts.euPreise und Produktverfügbarkeit können sich ändern
NoTeil Nr.PreisSt.Beschreibung
1Not Serviced-1Top Cover Assembly
241565.008$ 1.21Auto Choke O-Ring Seal
364565.001-3Auto Choke Fixing Screw
457804.400-1Auto Choke Assy. Including
547407.159-1Choke Diaphragm
6Not Serviced-1Diaphragm Loading Spring
7Not Serviced-1Diaphragm Cover
8Not Serviced-1Diaphragm Adjusting Screw
9Not Serviced-3Diaphragm Cover Fixing Screw
1064615.005-3Plate Fixing Screw
1152135.029$ 3.31Thermostat Housing Lock Ring
1257804.416-1Thermostat Housing
1341640.056-1Heat Sealing Gasket
14Not Serviced-1Screw Plug
1541705.057-1Carburetor Cover Gasket
1641030.012-1Float
1777501$ 102Air Correction Jet
1861450$ 14.62Emulsion Tube
1952570.004$ 13.32Idle Jet Holder
2074403$ 5.12Idle Jet
2173405$ 6.72Main Jet
2255510.087-4Carb Washer
2352130.010$ 6.64Shaft Bearing Plate
2412750.085$ 5.31Spacer
2510015.255-1Secondary Shaft
2652130.010$ 6.64Shaft Bearing Plate
27Not Serviced-1Secondary Throttle Adjusting Screw
2855555.019$ 1.72Washer
29Not Serviced-1Throttle Valve Control Lever Including
3064595.025-1Fast Idle Adjusting Screw
3134715.018-1Adjusting Screrw Fixing Nut
3255520.002$ 1.42Lock Washer
3334715.014$ 1.42Primary Shaft Fixing Nut
3447610.109-1Bushing For Free Lever
3545069.015-1Free Lever
3647610.109-1Spring For Free Lever
3712750.087-1Spacer
38Not Serviced-1Primary Throttle Control Lever
3947610.118-1Primary Shaft Return Spring
40Not Serviced-1Primary Shaft
4164005.090$ 221Primary Throttle Plate
 
NoTeil Nr.PreisSt.Beschreibung
4264520.027-4Throttle Plate Fixing Screw
4347600.007$ 3.11Spring Primary Throttle Lever
4464625.012$ 10.81Primary Throttle Adjusting Screw
4510104.001-1Dash Pot
46Not Serviced-1Dash Pot Bracket
4734715.008-1Dash Pot Fixing Nut
48Not Serviced-1Dash Pot Bracket Fixing Screw
4941535.003-1Idle Cut Off Solenoid Gasket
5043840.014-1Idle Cut Off Solenoid
51Not Serviced-1Mixture Screw Tamper Proof Plug
5264750.051$ 141Idle Mixture Adjusting Screw
5341565.001-1Mixture Screw O-Ring Seal
5447600.095$ 2.81Idle Mixrure Screw Spring
5564565.001-4Pump Cover Fixing Screw
56Not Serviced-1Pump Cover
5747407.261$ 13.51Pump Diaphragm
5847600.107$ 12.41Pump Loading Spring
5947610.012$ 5.11Primary Shaft Return Spring
60Not Serviced-1Pump Cam
61Not Serviced-3Power Valve Cover Fixing Screw
62Not Serviced-1Power Valve Cover
6347600.131-1Power Valve Diaphragm Spring
6447407.156-1Power Valve Diaphragm
6534705.001$ 11Secondary Shaft Fixing Nut
6655525.001-1Spring Washer
67Not Serviced-1Washer
6892.4052.05-1EVAP Solenoid Includes
6941535.009-1Gasket
70Not Serviced-1Spring
71Not Serviced-1Spindle
72Not Serviced-1Sealing Valve
73Not Serviced-1Carburetor Body
7441565.002-1Pump Jet O-Ring
7576407$ 18.41Pump Jet
7671115-2Auxiliary Venturi
7779519-1Needle Valve
7852000.036$ 2.61Float Fulcrum Pin
7937022.005$ 8.31Strainer
8010525.032-1Return Fuel Line Pipe
8183102.070-1Needle Valve Gasket
82-