Anonymer Käufer


 









 






 
 



Carb manufacturer: Carb model:
  Share link to this diagram
   Explosionszeichnung als PDF herunterladen   

WEBER 34 IBP Teileplan


- Klicken Sie auf ein Teil, um mehr zu sehen




Liste der Teile:

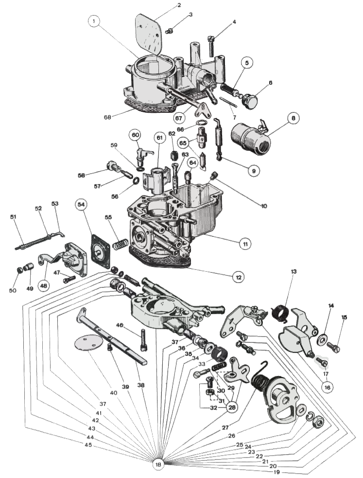
NoTeil Nr.PreisSt.Beschreibung
131706.092-1Carburetor top cover
264010.021-1Choke throttle valve
364525.003-2Choke plate fixing screw
464700.005-5Top Cover Fixing Screw
537022.004$ 141Filter element
661002.019-1Fuel Filter Cover
752000.010$ 2.51Float Fulcrum Pin
841015.019$ 621Float
961287.061-1Choke rod
1073801.145$ 5.41Main Jet
11-1Carburettor body
1239152.022-1Base Spacer Heat Gasket
1347610.056$ 5.61Spring
1455510.002$ 1.71Spring Washer
1564700.012$ 3.21Lever Fixing Screw
1645202.169-1Choke Lever
1764615.004-1- Screw securing wire
1867006.070-1Carburettor shaft base. including:
1958702.051-1— Sheat Support
2064700.012$ 3.21Lever Fixing Screw
2155525.003-1— Rosetta elastica per vite comando acceler.
2264880.013-1— Vite lissaggio supporlo com acceleratore
2334715.014$ 1.41Throttle Spindle Nut
2455525.004-1— Rosetta elastica per dado alberino princip.
2555525.003-1— Rosetta per dado alberino principale
2645046.071-1— Throttle lever
2747610.157-1— Molla richiamo leva comando farfalla
2845041.212-1— Leva di comando completa dii
2947600.007$ 3.11Idle Mixture Screw Spring
3064625.006-1— — Vite registro farfalla
3134715.006-1— Cold Start Nut
3264595.009-1— Screw
3347610156-1— Molla richiamo leva comando farfalla
3455555.016$ 2.21Shaft Spacer
3541575.010$ 71Bushing
3655510.087-1— Rosetta ritegno piastrina supporto alberino
3752130.010$ 6.62— Piastrina supporto alberino
3810015.534-1— Alberino principale
3964520.023-2Throttle Plate Screw 
4064005.007-1— Throttle valve
4155510.087-1— Rosetta ritegno piastrina supporto alberino
4241575.010$ 71Bushing
4384750.074-1— Vite registro miscela minimo
4441565.010-1Idle Mixture Screw O Ring
4561075.014-1Idle mixture tamper proof plug
4664700.010-1Fixing Screw
4764565.002-4Pump Cover Screw
4832486.066-1Accelerator Pump Cover
4912800.166$ 10.11Boccola per bramino comando pompa
5034710.009-1Fixing nut
5141600.138-1Pump rod spring
5255510.019$ 1.41Spring Washer
5361285.032-1Pump Rod
5447407.045-1Pump diaphragm
5547600.107$ 12.41Pump Spring
5641565.601-1O-Ring For Idle Jet Holder
5774408.045$ 8.61Idle Jet
5852570.011$ 13.91Idle Jet Holder
5941545.001-1Pump Jet Gasket
6076413.050-1Getto pompe
6170515.450-1Auxiliary Venturi
6277201.190$ 4.31Getto aria di treno
6361446.229-1Emulsion Tube 
6479701.000$ 131Back bleed valve
6579607.150-1Float valve
6683102.070-1Needle valve gasket
6710015.288-1Alberino avvlamento
6841700.006-1Carburettor Cover Gasket

WEBER 34 IBP
Exploded view

https://www.carbparts.euPreise und Produktverfügbarkeit können sich ändern

WEBER 34 IBP
Liste der Teile

https://www.carbparts.euPreise und Produktverfügbarkeit können sich ändern
NoTeil Nr.PreisSt.Beschreibung
131706.092-1Carburetor top cover
264010.021-1Choke throttle valve
364525.003-2Choke plate fixing screw
464700.005-5Top Cover Fixing Screw
537022.004$ 141Filter element
661002.019-1Fuel Filter Cover
752000.010$ 2.51Float Fulcrum Pin
841015.019$ 621Float
961287.061-1Choke rod
1073801.145$ 5.41Main Jet
11-1Carburettor body
1239152.022-1Base Spacer Heat Gasket
1347610.056$ 5.61Spring
1455510.002$ 1.71Spring Washer
1564700.012$ 3.21Lever Fixing Screw
1645202.169-1Choke Lever
1764615.004-1- Screw securing wire
1867006.070-1Carburettor shaft base. including:
1958702.051-1— Sheat Support
2064700.012$ 3.21Lever Fixing Screw
2155525.003-1— Rosetta elastica per vite comando acceler.
2264880.013-1— Vite lissaggio supporlo com acceleratore
2334715.014$ 1.41Throttle Spindle Nut
2455525.004-1— Rosetta elastica per dado alberino princip.
2555525.003-1— Rosetta per dado alberino principale
2645046.071-1— Throttle lever
2747610.157-1— Molla richiamo leva comando farfalla
2845041.212-1— Leva di comando completa dii
2947600.007$ 3.11Idle Mixture Screw Spring
3064625.006-1— — Vite registro farfalla
3134715.006-1— Cold Start Nut
3264595.009-1— Screw
3347610156-1— Molla richiamo leva comando farfalla
3455555.016$ 2.21Shaft Spacer
 
NoTeil Nr.PreisSt.Beschreibung
3541575.010$ 71Bushing
3655510.087-1— Rosetta ritegno piastrina supporto alberino
3752130.010$ 6.62— Piastrina supporto alberino
3810015.534-1— Alberino principale
3964520.023-2Throttle Plate Screw 
4064005.007-1— Throttle valve
4155510.087-1— Rosetta ritegno piastrina supporto alberino
4241575.010$ 71Bushing
4384750.074-1— Vite registro miscela minimo
4441565.010-1Idle Mixture Screw O Ring
4561075.014-1Idle mixture tamper proof plug
4664700.010-1Fixing Screw
4764565.002-4Pump Cover Screw
4832486.066-1Accelerator Pump Cover
4912800.166$ 10.11Boccola per bramino comando pompa
5034710.009-1Fixing nut
5141600.138-1Pump rod spring
5255510.019$ 1.41Spring Washer
5361285.032-1Pump Rod
5447407.045-1Pump diaphragm
5547600.107$ 12.41Pump Spring
5641565.601-1O-Ring For Idle Jet Holder
5774408.045$ 8.61Idle Jet
5852570.011$ 13.91Idle Jet Holder
5941545.001-1Pump Jet Gasket
6076413.050-1Getto pompe
6170515.450-1Auxiliary Venturi
6277201.190$ 4.31Getto aria di treno
6361446.229-1Emulsion Tube 
6479701.000$ 131Back bleed valve
6579607.150-1Float valve
6683102.070-1Needle valve gasket
6710015.288-1Alberino avvlamento
6841700.006-1Carburettor Cover Gasket