Comprador anónimo


 









 






 
 



Carb manufacturer: Carb model:
  Share link to this diagram
   Descargar la vista detallada en PDF   

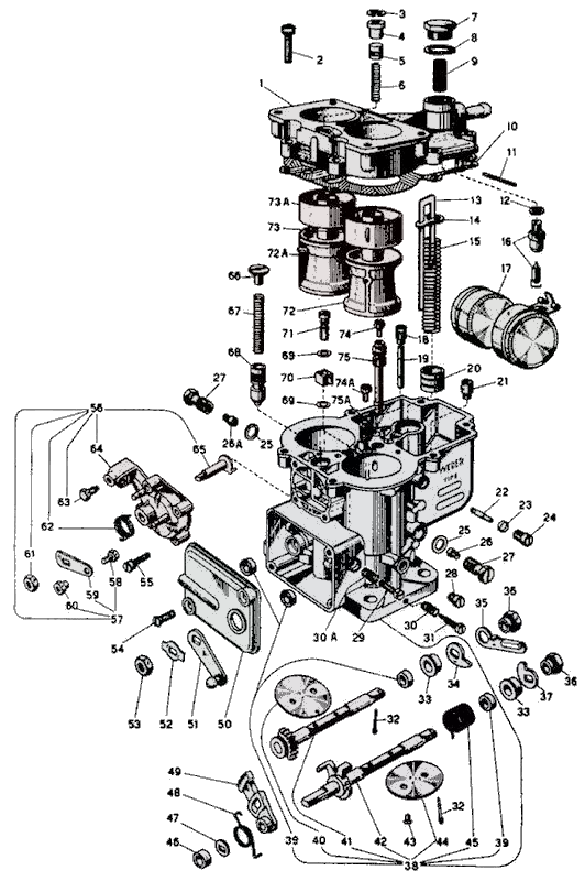
WEBER 36 DCD diagrama de partes


- haga clic en parte para ver más




Lista de partes:

NoParte NoPrecioPzas.Descripción
1NLA-1Carburetor Top Cover
264700.001-6Carburetor Cover Fixing Screw
310140.010$ 4.41Lock Washer
412775.013-1Starter Plunger Seat
558600.007$ 36.31Starter Plunger
647600.052-1Starter Plunger Spring
761002.010$ 91Filter Cover
841530.024-1Filter Cover Gasket
937022.010$ 7.21Gauze Filter
1041705.002-1Top Cover Gasket
1183102.070-1Float Pin
1283102.070-1Needle Valve Gasket
1310400.012$ 10.91Plunger Shaft
1452140.002$ 7.21Plunger Spring Retaining Plate
1547600.085-1Pump Plunger Spring
1679507$ 12.71Needle & Seat
1741030.011$ 98.71Float
1877505-1Air Corrector Jet
1975504$ 101Starter Jet
2058602.004-1Pump Plunger
2179701$ 13.21Intake Valve With Exhaust Orifice
2274401$ 91Idle Jet
2341565.045-1Idle Jet Holder Gasket
2452570.005$ 12.41Idle Jet Holder
2541540.001$ 22Main Jet Holder Gasket
2673801$ 5.41Primary Main Jet
26a73801$ 5.41Secondary Main Jet
2752590.001$ 12.72Main Jet Holder
2861015.001$ 101Inspection Screw
2964625.002$ 4.21Throttle Adjustment Screw
3047600.084$ 6.11Idle Mixture Screw Spring
30a47600.084$ 6.11Throttle Adjustment Screw Spring
3164755.006$ 13.11Idle Mixture Adjustment Screw
32Not Serviced-2Split Pin
3312775.012-1Shaft Nut
3445080.010-1Second Pumping Lever
3545067.001-1Pump Control Loosened Lever
3634720.001$ 7.22Shaft Nut
3745080.011-1Pumping Lever
38Not Serviced-1Carburetor Body
39Not Serviced-4Spindle Grommet
40-1Throttle valve for secondary
4110015.407-1Shaft For Secondary Duct
4210015.416-1Shaft For Primary Duct
43Not Serviced-4Throttle Valve Fixing Screw
4464005.045-1Throttle Valve For Primary Duct
4547610.034-1Return Spring
4612750.039-1Shaft Distance Piece
4755555.016$ 2.31Primary Shaft Distance Washer
4847610.009-1Return Spring- Primary Toothed Sector
4958202.001$ 621Primary Toothed Sector
5032464.008-1Toothed Sector Box Cover
5145027.001$ 18.51Throttle Control Lever
5255520.002$ 1.41Tab Washer
5334715.014$ 1.41Throttle Control Lever Fixing Nut
5464570.004$ 3.12Screw, Toothed Sector Cover Box
5564700.004$ 44Fixing Screw, Sheath Support Cover
5632536.005-1Sheath Support Cover
5745027.017$ 19.11Starter Control Lever
5864800.002$ 8.71Cable Fixing Screw
5945025.003$ 10.41Starter Control Lever
6034715.010-1Cable Fixing Screw Nut
6134715.010-1Starter Control Lever Fixing Nut
6247610.004$ 5.81Starter Control Lever Return Spring
6364605.017$ 21Sheath Fixing Screw
64Not Serviced-1Cover With Sheath Support
6510085.004$ 54.11Starter Valve Control Shaft
6652030.001-1Spring Guide And Retainer
6747600.051$ 5.21Starter Valve Spring
6864330.001$ 34.71Starter Valve
6941540.014$ 2.22Pump Jet Gasket
7076203-1Pump Jet
7164290.005$ 41.91Pump Delivery Valve
7271702-1Primary Venturi
72a71701-1Secondary Venturi
7369001-1Auxiliary Venturi, Primary
73a69001-1Auxiliary Venturi, Secondary
74a77502$ 6.31Air Corrector Jet Secondary
7477502$ 6.31Air Corrector Jet Primary
7561455$ 46.31Emulsion Tube, Primary
75a61455$ 46.31Emulsion Tube, Secondary

WEBER 36 DCD
Exploded view

https://www.carbparts.euLos precios y la disponibilidad de los productos están sujetos a cambios

WEBER 36 DCD
Lista de partes

https://www.carbparts.euLos precios y la disponibilidad de los productos están sujetos a cambios
NoParte NoPrecioPzas.Descripción
1NLA-1Carburetor Top Cover
264700.001-6Carburetor Cover Fixing Screw
310140.010$ 4.41Lock Washer
412775.013-1Starter Plunger Seat
558600.007$ 36.31Starter Plunger
647600.052-1Starter Plunger Spring
761002.010$ 91Filter Cover
841530.024-1Filter Cover Gasket
937022.010$ 7.21Gauze Filter
1041705.002-1Top Cover Gasket
1183102.070-1Float Pin
1283102.070-1Needle Valve Gasket
1310400.012$ 10.91Plunger Shaft
1452140.002$ 7.21Plunger Spring Retaining Plate
1547600.085-1Pump Plunger Spring
1679507$ 12.71Needle & Seat
1741030.011$ 98.71Float
1877505-1Air Corrector Jet
1975504$ 101Starter Jet
2058602.004-1Pump Plunger
2179701$ 13.21Intake Valve With Exhaust Orifice
2274401$ 91Idle Jet
2341565.045-1Idle Jet Holder Gasket
2452570.005$ 12.41Idle Jet Holder
2541540.001$ 22Main Jet Holder Gasket
2673801$ 5.41Primary Main Jet
26a73801$ 5.41Secondary Main Jet
2752590.001$ 12.72Main Jet Holder
2861015.001$ 101Inspection Screw
2964625.002$ 4.21Throttle Adjustment Screw
3047600.084$ 6.11Idle Mixture Screw Spring
30a47600.084$ 6.11Throttle Adjustment Screw Spring
3164755.006$ 13.11Idle Mixture Adjustment Screw
32Not Serviced-2Split Pin
3312775.012-1Shaft Nut
3445080.010-1Second Pumping Lever
3545067.001-1Pump Control Loosened Lever
3634720.001$ 7.22Shaft Nut
3745080.011-1Pumping Lever
38Not Serviced-1Carburetor Body
39Not Serviced-4Spindle Grommet
 
NoParte NoPrecioPzas.Descripción
40-1Throttle valve for secondary
4110015.407-1Shaft For Secondary Duct
4210015.416-1Shaft For Primary Duct
43Not Serviced-4Throttle Valve Fixing Screw
4464005.045-1Throttle Valve For Primary Duct
4547610.034-1Return Spring
4612750.039-1Shaft Distance Piece
4755555.016$ 2.31Primary Shaft Distance Washer
4847610.009-1Return Spring- Primary Toothed Sector
4958202.001$ 621Primary Toothed Sector
5032464.008-1Toothed Sector Box Cover
5145027.001$ 18.51Throttle Control Lever
5255520.002$ 1.41Tab Washer
5334715.014$ 1.41Throttle Control Lever Fixing Nut
5464570.004$ 3.12Screw, Toothed Sector Cover Box
5564700.004$ 44Fixing Screw, Sheath Support Cover
5632536.005-1Sheath Support Cover
5745027.017$ 19.11Starter Control Lever
5864800.002$ 8.71Cable Fixing Screw
5945025.003$ 10.41Starter Control Lever
6034715.010-1Cable Fixing Screw Nut
6134715.010-1Starter Control Lever Fixing Nut
6247610.004$ 5.81Starter Control Lever Return Spring
6364605.017$ 21Sheath Fixing Screw
64Not Serviced-1Cover With Sheath Support
6510085.004$ 54.11Starter Valve Control Shaft
6652030.001-1Spring Guide And Retainer
6747600.051$ 5.21Starter Valve Spring
6864330.001$ 34.71Starter Valve
6941540.014$ 2.22Pump Jet Gasket
7076203-1Pump Jet
7164290.005$ 41.91Pump Delivery Valve
7271702-1Primary Venturi
72a71701-1Secondary Venturi
7369001-1Auxiliary Venturi, Primary
73a69001-1Auxiliary Venturi, Secondary
74a77502$ 6.31Air Corrector Jet Secondary
7477502$ 6.31Air Corrector Jet Primary
7561455$ 46.31Emulsion Tube, Primary
75a61455$ 46.31Emulsion Tube, Secondary