×
12678
Correo electrónico: sales
@
carbparts
.
eu
$
€
£
Calculadora de chorro
Tabla de chorro
Despieces
Manual de servicio
Mostrar todas las partes
PASE EL CURSOR POR ENCIMA DEL NúMERO DE PARTE
SE CIERRAN SOBRE EL NúMERO
Use este enlace para compartir:
Imprimir la página como diagrama
Sobre nosotros
Pago & Envío
Condiciones generales
Programa de recomendación
GDPR
CERRAR
Comprador anónimo
Iniciar sesión
Código de descuento:
Comprobar
CARRITO VACÍO
ORDENAR
CERRAR
Destino de la entrega
Austria
Belgium
Bulgaria
Croatia
Cyprus
Czech Republic
Denmark
Estonia
Finland
France
Germany
Greece
Hungary
Ireland
Italy
Latvia
Lithuania
Luxembourg
Malta
Netherlands
Poland
Portugal
Romania
Slovakia
Slovenia
Spain
Sweden
Argentina
Australia
Bahrain
Barbados
Belarus
Bolivia
Bosnia and Herzegovina
Brazil
Brunei
Canada
Chile
China
Colombia
Ecuador
El Salvador
Ethiopia
Fiji
French Polynesia
Gibraltar
Guam
Hong Kong
Iceland
India
Indonesia
Israel
Jamaica
Japan
Jordan
Kazakhstan
Kenya
Kuwait
Lebanon
Liechtenstein
Macedonia
Malaysia
Maldives
Marshall Islands
Martinique
Mauritius
Mexico
Moldova
Montenegro
Namibia
Netherlands Antilles
New Caledonia
New Zealand
Northern Mariana Islands
Norway
Peru
Philippines
Puerto Rico
Reunion
Russia
Saudi Arabia
Serbia
Seychelles
Singapore
South Africa
South Korea
Spain Canary Islands
Sri Lanka
Switzerland
Taiwan
Tanzania
Thailand
Turkey
Ukraine
United Arab Emirates
United Kingdom
United States
Uruguay
Vanuatu
Virgin Islands (U.S.)
ZIP/Código postal
Opción de envío
Espere el envío
Opción de pago
Espere el pago
Correo electrónico
Teléfono
Nombre completo
Compañía
Dirección de la calle 1
Dirección de la calle 2
Ciudad
Estado/Provincia
Mensaje para el vendedor
PAGO
CERRAR
COMPRAR
Elija la moneda
Elija el idioma
English
Deutsche
Français
Italiano
Español
Polskie
Magyar
Ελληνική
Suomalainen
Svenska
やまと
Carb manufacturer:
DELLORTO
WEBER
Carb model:
22 IM
24/30 DCZC 1
24/32 DDC
26 DTR
26 IMB
26 OC 10
28 ICP
28 IMB
28/32 ADHA
28/36 DCD
28/36 DLE
28/36 DM A1
30 DGS
30 DICA
32 ADFA
32 DCOF
32 DCOF 2
32 DCOF 6
32 DIR 38
32 DMSA
32 DMTR 20
32 IBA 20
32 OF
32/34 DFT
32/34 DMTL
32/36 DFAV/DFEV
32/36 DGAV 4
32/36 DGAV/DGEV
32/36 DGV 5A
34 ADM 0
34 DMTR 21
34 DMTR 39
34 IBP
34 ICH
34 ICT
34 IMPE
35 DCNL 2/3
36 ADL 1/250
36 DCD
36 DCNVA 16
36 DCNVA 6
36 DCS
36 IDF 44/45
38 DCN
38 DCNL 5
38 DCOE 59/60
38 DGAS/DGES
40 DCM
40 DCN
40 DCNF
40 DCNL
40 DCO 3
40 DCOE early type
40 DCOE emission model
40 DCOE late type
40 DCOM 6/7
40 DCZ
40 DFAV
40 DFI
40 DFO
40 IDA 3C
40 IDF 13/15
40 IDF 70
42 DCNF 2
42 DCOE 8
44 IDF 40/41
44 IDF 71
45 DCOE 152
45 DCOE early
45 DFC 1
46 IDA 3C
48 DCO SP
48 DCOE 98/99
48 IDA
48 IDF 6
50 DCO
58 DCO 3
Share link to this diagram
Descargar la vista detallada en PDF
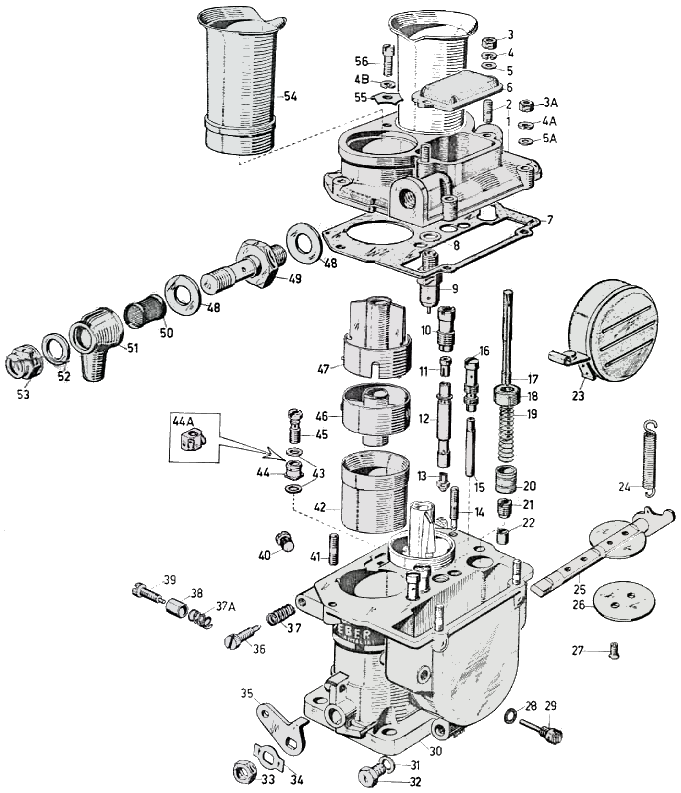
WEBER 38 DCN diagrama de partes
-
haga clic en parte para ver más
Lista de partes:
No
Parte No
Precio
Pzas.
Descripción
1
31716.014
-
1
Carburetor Top Cover
2
64955.009
$ 5.3
2
Stud
3a
34705.001
$ 1
4
Nut
3
34705.001
$ 1
2
Nut
4b
55525.001
-
1
Spring Washer
4a
55525.001
-
4
Spring Washer
4
55525.001
-
2
Spring Washer
5
55510.034
-
2
Carburetor Washer
5a
55510.034
-
4
Carburetor Washer
6
37012.005
$ 24.2
1
Jet Cover
7
41705.006
-
1
Top Cover Gasket
8
41530.049
-
1
Gasket
9
79406.175
-
1
Needle & Seat
10
52580.001
$ 9.2
2
Emulsion Tube Hilder
11
77401
$ 6.3
2
Air Corrector Jet
12
61450.166
$ 13.3
2
Emulsion Tube
13
73401
$ 5.4
2
Main Jet
14
64970.001
-
1
Stud
15
41165.251
-
2
Idle Jet
16
77903
$ 10.8
2
Idle Jet Holder
17
10410.008
-
1
Pump Rod
18
58000.005
-
1
Collar
19
47600.034
$ 9.2
1
Spring
20
58602.007
-
1
Plunger 38 DCN 1
20
58602.001
-
1
Plunger 38 DCN
21
64290.002
-
1
Valve
22
12750.051
-
1
38 DCN
22
12750.050
-
1
38 DCN 1
23
41015.003
-
1
Float
24
47605.009
$ 3.2
1
Throttle Return Spring
25
10020.401
$ 11.7
1
Throttle Shaft
26
64005.050
-
2
Butter Fly
27
64570.009
$ 1
4
Throttle Plate Screw
28
41540.016
-
1
Gasket
29
64900.003
-
1
Float Pin
30
Not Serviced
-
1
Carburetor Body
31
41535.008
-
1
Washer
32
61002.006
$ 5.8
1
Plug
33
34715.015
-
1
Fixing Nut
34
55520.001
$ 2.1
1
Shaft Lock Tab
35
45032.032
$ 20
1
Lever
36
64750.001
$ 5.1
2
Idle Mixture Screw
37
47600.007
$ 3.2
2
Spring
37a
47600.007
$ 3.2
1
Spring
38
12785.004
-
1
Sleeve
39
64590.003
$ 6.8
1
Screw
40
61015.001
$ 10
2
Plug
41
64955.029
-
3
Stud
42
34914.003
-
2
Main Venturi (Choke)
43
41540.014
$ 2.2
2
Pump Jet Gasket
44
41260.002
-
1
Pump Jet 35 DCN
44a
41252.010
-
1
Pump Jet 38 DCN 1
45
64290.005
$ 41.9
1
Valve
46
31876.005
-
2
Auxiliary Venturi
47
52754.005
-
2
Auxiliary Venturi Extension
48
41530.004
-
2
Gasket
49
10602.001
-
1
Fuel Banjo Bolt
50
37022.001
$ 23.3
1
Fuel Filter
51
10354.006
$ 21.7
1
Fuel Union
52
41530.001
-
1
Gasket
53
34750.001
-
1
Banjo Cap Nut
54
52840.010
-
2
Air Horn
55
52150.010
$ 6.4
1
Air Horn Tab
56
64535.001
$ 15.9
1
Air horn Tab screw
WEBER 38 DCN
Exploded view
https://www.carbparts.eu
Los precios y la disponibilidad de los productos están sujetos a cambios
WEBER 38 DCN
Lista de partes
https://www.carbparts.eu
Los precios y la disponibilidad de los productos están sujetos a cambios
No
Parte No
Precio
Pzas.
Descripción
1
31716.014
-
1
Carburetor Top Cover
2
64955.009
$ 5.3
2
Stud
3a
34705.001
$ 1
4
Nut
3
34705.001
$ 1
2
Nut
4b
55525.001
-
1
Spring Washer
4a
55525.001
-
4
Spring Washer
4
55525.001
-
2
Spring Washer
5
55510.034
-
2
Carburetor Washer
5a
55510.034
-
4
Carburetor Washer
6
37012.005
$ 24.2
1
Jet Cover
7
41705.006
-
1
Top Cover Gasket
8
41530.049
-
1
Gasket
9
79406.175
-
1
Needle & Seat
10
52580.001
$ 9.2
2
Emulsion Tube Hilder
11
77401
$ 6.3
2
Air Corrector Jet
12
61450.166
$ 13.3
2
Emulsion Tube
13
73401
$ 5.4
2
Main Jet
14
64970.001
-
1
Stud
15
41165.251
-
2
Idle Jet
16
77903
$ 10.8
2
Idle Jet Holder
17
10410.008
-
1
Pump Rod
18
58000.005
-
1
Collar
19
47600.034
$ 9.2
1
Spring
20
58602.007
-
1
Plunger 38 DCN 1
20
58602.001
-
1
Plunger 38 DCN
21
64290.002
-
1
Valve
22
12750.051
-
1
38 DCN
22
12750.050
-
1
38 DCN 1
23
41015.003
-
1
Float
24
47605.009
$ 3.2
1
Throttle Return Spring
25
10020.401
$ 11.7
1
Throttle Shaft
26
64005.050
-
2
Butter Fly
No
Parte No
Precio
Pzas.
Descripción
27
64570.009
$ 1
4
Throttle Plate Screw
28
41540.016
-
1
Gasket
29
64900.003
-
1
Float Pin
30
Not Serviced
-
1
Carburetor Body
31
41535.008
-
1
Washer
32
61002.006
$ 5.8
1
Plug
33
34715.015
-
1
Fixing Nut
34
55520.001
$ 2.1
1
Shaft Lock Tab
35
45032.032
$ 20
1
Lever
36
64750.001
$ 5.1
2
Idle Mixture Screw
37
47600.007
$ 3.2
2
Spring
37a
47600.007
$ 3.2
1
Spring
38
12785.004
-
1
Sleeve
39
64590.003
$ 6.8
1
Screw
40
61015.001
$ 10
2
Plug
41
64955.029
-
3
Stud
42
34914.003
-
2
Main Venturi (Choke)
43
41540.014
$ 2.2
2
Pump Jet Gasket
44
41260.002
-
1
Pump Jet 35 DCN
44a
41252.010
-
1
Pump Jet 38 DCN 1
45
64290.005
$ 41.9
1
Valve
46
31876.005
-
2
Auxiliary Venturi
47
52754.005
-
2
Auxiliary Venturi Extension
48
41530.004
-
2
Gasket
49
10602.001
-
1
Fuel Banjo Bolt
50
37022.001
$ 23.3
1
Fuel Filter
51
10354.006
$ 21.7
1
Fuel Union
52
41530.001
-
1
Gasket
53
34750.001
-
1
Banjo Cap Nut
54
52840.010
-
2
Air Horn
55
52150.010
$ 6.4
1
Air Horn Tab
56
64535.001
$ 15.9
1
Air horn Tab screw