×
12678
Correo electrónico: sales
@
carbparts
.
eu
$
€
£
Calculadora de chorro
Tabla de chorro
Despieces
Manual de servicio
Mostrar todas las partes
PASE EL CURSOR POR ENCIMA DEL NúMERO DE PARTE
SE CIERRAN SOBRE EL NúMERO
Use este enlace para compartir:
Imprimir la página como diagrama
Sobre nosotros
Pago & Envío
Condiciones generales
Programa de recomendación
GDPR
CERRAR
Comprador anónimo
Iniciar sesión
Código de descuento:
Comprobar
CARRITO VACÍO
ORDENAR
CERRAR
Destino de la entrega
Austria
Belgium
Bulgaria
Croatia
Cyprus
Czech Republic
Denmark
Estonia
Finland
France
Germany
Greece
Hungary
Ireland
Italy
Latvia
Lithuania
Luxembourg
Malta
Netherlands
Poland
Portugal
Romania
Slovakia
Slovenia
Spain
Sweden
Argentina
Australia
Bahrain
Barbados
Belarus
Bolivia
Bosnia and Herzegovina
Brazil
Brunei
Canada
Chile
China
Colombia
Ecuador
El Salvador
Ethiopia
Fiji
French Polynesia
Gibraltar
Guam
Hong Kong
Iceland
India
Indonesia
Israel
Jamaica
Japan
Jordan
Kazakhstan
Kenya
Kuwait
Lebanon
Liechtenstein
Macedonia
Malaysia
Maldives
Marshall Islands
Martinique
Mauritius
Mexico
Moldova
Montenegro
Namibia
Netherlands Antilles
New Caledonia
New Zealand
Northern Mariana Islands
Norway
Peru
Philippines
Puerto Rico
Reunion
Russia
Saudi Arabia
Serbia
Seychelles
Singapore
South Africa
South Korea
Spain Canary Islands
Sri Lanka
Switzerland
Taiwan
Tanzania
Thailand
Turkey
Ukraine
United Arab Emirates
United Kingdom
United States
Uruguay
Vanuatu
Virgin Islands (U.S.)
ZIP/Código postal
Opción de envío
Espere el envío
Opción de pago
Espere el pago
Correo electrónico
Teléfono
Nombre completo
Compañía
Dirección de la calle 1
Dirección de la calle 2
Ciudad
Estado/Provincia
Mensaje para el vendedor
PAGO
CERRAR
COMPRAR
Elija la moneda
Elija el idioma
English
Deutsche
Français
Italiano
Español
Polskie
Magyar
Ελληνική
Suomalainen
Svenska
やまと
Carb manufacturer:
DELLORTO
WEBER
Carb model:
22 IM
24/30 DCZC 1
24/32 DDC
26 DTR
26 IMB
26 OC 10
28 ICP
28 IMB
28/32 ADHA
28/36 DCD
28/36 DLE
28/36 DM A1
30 DGS
30 DICA
32 ADFA
32 DCOF
32 DCOF 2
32 DCOF 6
32 DIR 38
32 DMSA
32 DMTR 20
32 IBA 20
32 OF
32/34 DFT
32/34 DMTL
32/36 DFAV/DFEV
32/36 DGAV 4
32/36 DGAV/DGEV
32/36 DGV 5A
34 ADM 0
34 DMTR 21
34 DMTR 39
34 IBP
34 ICH
34 ICT
34 IMPE
35 DCNL 2/3
36 ADL 1/250
36 DCD
36 DCNVA 16
36 DCNVA 6
36 DCS
36 IDF 44/45
38 DCN
38 DCNL 5
38 DCOE 59/60
38 DGAS/DGES
40 DCM
40 DCN
40 DCNF
40 DCNL
40 DCO 3
40 DCOE early type
40 DCOE emission model
40 DCOE late type
40 DCOM 6/7
40 DCZ
40 DFAV
40 DFI
40 DFO
40 IDA 3C
40 IDF 13/15
40 IDF 70
42 DCNF 2
42 DCOE 8
44 IDF 40/41
44 IDF 71
45 DCOE 152
45 DCOE early
45 DFC 1
46 IDA 3C
48 DCO SP
48 DCOE 98/99
48 IDA
48 IDF 6
50 DCO
58 DCO 3
Share link to this diagram
Descargar la vista detallada en PDF
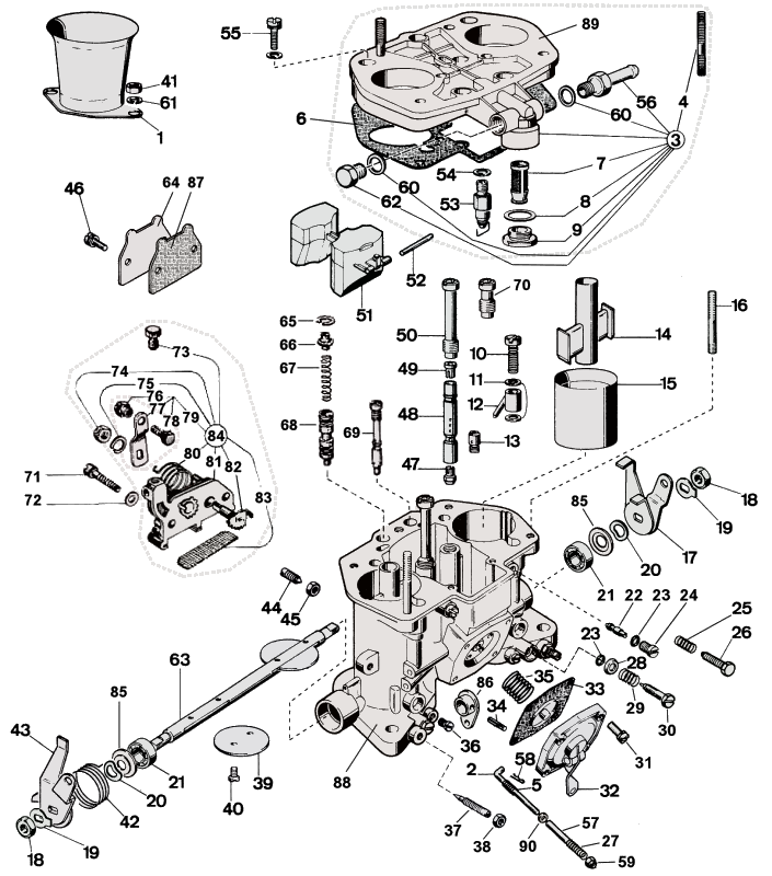
WEBER 48 IDF 6 diagrama de partes
-
haga clic en parte para ver más
Lista de partes:
No
Parte No
Precio
Pzas.
Descripción
1
52845.014
$ 21.5
2
Air Intake Horn
2
61285.042
-
1
Pump Control Rod
3
93.0074.05
-
1
Carburetor Cover
4
64955.108
$ 5.3
2
Stud Bolt
5
47600.252
-
1
Pump Control Rod Spring
6
41705.086
$ 4.5
1
Carburetor Cover Gasket
7
37022.002
$ 7.4
1
Fuel Filter
8
41530.024
-
1
Fuel Filter Plug Gasket
9
61002.010
$ 9
1
Fuel Filter Plug Gasket
10
64290.016
$ 41.9
2
Pump Demand Valve
11
41540.014
$ 2.2
4
Pump Jet Gasket
12
76210
$ 21.2
2
Pump Jet
13
79701
$ 13.2
1
Pump Exhaust Valve
14
71102
$ 36.2
2
Auxiliary Venturi
15
71507
$ 41.9
2
Venturi (Choke Tube)
16
64955.110
-
2
Stud Bolt
17
45034.110
$ 15
1
Throttle Valve Control Lever
18
34710.003
$ 1.4
2
Shaft Fixing Nut
19
55520.004
$ 1.4
2
Lock Washer
20
55530.005
$ 7.7
2
Spring Ring
21
32650.003
$ 2.8
2
Bearing
22
74405
$ 5.1
2
Idle Jet
23
41565.002
-
4
Idle Jet O Ring
24
52570.006
$ 9
2
Idle Jet Holder
25
47600.007
$ 3.2
1
Throttle Adjusting Screw Spring
26
64625.015
$ 7.9
1
Throttle Adjusting Screw
27
47600.251
$ 15.2
1
Pump Rod Spring
28
58000.006
$ 2.6
2
Mixture Screw O Ring Cap
29
47600.062
$ 3.2
2
Mixture Screw Spring
30
64755.013
-
2
Mixture Screw
31
64700.004
$ 4
4
Pump Cover Screw
32
32486.085
-
1
Pump Cover
33
47407.207
$ 15
1
Pump Diaphragm
34
58445.001
-
1
Spring Pin
35
47600.250
$ 10
1
Pump Diaphragm Spring
36
61015.005
$ 3.4
3
Vacuum Take-Off Cover
37
64750.029
$ 12.4
2
Air Adjusting Screw
38
34705.001
$ 1
2
Air Adjusting Screw Nut
39
64005.103
$ 18.4
2
Throttle Valve
40
64520.027
-
4
Throttle Valve Fixing Screw
41
34705.004
-
4
Air Horn Nut
42
47610.035
$ 12.4
1
Throttle Return Spring
43
45034.109
$ 15
1
Throttle Valve Control Lever
44
64830.002
$ 6.7
2
Choke Fixing Screw
45
34715.010
-
2
Choke Fixing Screw Nut
46
64700.013
-
2
Starting Plate Fixing Screw
47
73401
$ 5.4
2
Main Jet
48
61450
$ 14.7
2
Emulsion tube
49
77401
$ 6.3
2
Air Correction Jet
50
52580.006
$ 14.3
2
Emulsion Tube Holder
51
41030.008
$ 15.9
1
Float
52
52000.001
$ 3.2
1
Float Pin
53
79511
$ 15.9
1
Needle Valve
54
83102.100
-
1
Needle Valve Gasket
55
64700.005
-
5
Carburetor Cover Fixing Screw
56
10525.023
$ 4.8
1
Fuel Inlet Pipe
57
12750.126
-
1
Pumping Extension Bushing
58
32610.003
$ 1.6
1
Spring Clip
59
34725.008
-
1
Pump Rod Nut
60
41535.003
-
2
Fuel Intake Coupling Gasket
61
55555.056
-
4
Air Horn Washer
62
61002.022
$ 13
1
Threaded Cap
63
10005.243
$ 49.7
1
Throttle Shaft
64
52135.008
$ 6.2
1
Blanking plate
65
10140.002
$ 4.3
2
Spring Clip
66
12775.024
$ 5.8
2
Spring guide and retainer
67
47600.133
$ 4.1
2
Starter Valve Spring
68
64330.009
$ 11.7
2
Starter Valve
69
41205.101
$ 15.2
2
Starter Jet F5
70
52580.001
$ 9.2
2
Emulsion Tube Holder
71
64700.004
$ 4
2
Cold Start Fixing Screw
72
55510.038
-
2
Flat Washer
73
64605.017
$ 2
1
Choke Cable Clamp
74
34715.010
-
1
Lever fixing nut
75
55525.010
-
1
Spring washer
76
34720.002
$ 7.7
1
Cold Start Nut
77
45025.029
$ 8.9
1
Cold Start Lever
78
64800.002
$ 8.7
1
Screw securing wire
79
45027.030
-
1
Cold Start Lever Assembly
80
47610.006
$ 12.4
1
Lever return spring
81
32556.001
-
1
Cold Start Unit
82
10085.003
$ 8.9
1
Starting shaft
83
37000.016
$ 7.6
1
Filter Screen
84
32556.002
$ 44
1
Cold Start Unit
85
58000.002
$ 5.1
2
Spring Retaining Cover
86
45027.139
-
1
Pump Cam
87
ST2283
$ 1.6
1
Blanking Plate Gasket
88
-
1
Carburetor body
89
-
1
Carburetor top cover
90
-
1
Washer
91
52845.014
$ 21.5
2
Air horn
92
34705.004
-
4
Air horn nut
WEBER 48 IDF 6
Exploded view
https://www.carbparts.eu
Los precios y la disponibilidad de los productos están sujetos a cambios
WEBER 48 IDF 6
Lista de partes
https://www.carbparts.eu
Los precios y la disponibilidad de los productos están sujetos a cambios
No
Parte No
Precio
Pzas.
Descripción
1
52845.014
$ 21.5
2
Air Intake Horn
2
61285.042
-
1
Pump Control Rod
3
93.0074.05
-
1
Carburetor Cover
4
64955.108
$ 5.3
2
Stud Bolt
5
47600.252
-
1
Pump Control Rod Spring
6
41705.086
$ 4.5
1
Carburetor Cover Gasket
7
37022.002
$ 7.4
1
Fuel Filter
8
41530.024
-
1
Fuel Filter Plug Gasket
9
61002.010
$ 9
1
Fuel Filter Plug Gasket
10
64290.016
$ 41.9
2
Pump Demand Valve
11
41540.014
$ 2.2
4
Pump Jet Gasket
12
76210
$ 21.2
2
Pump Jet
13
79701
$ 13.2
1
Pump Exhaust Valve
14
71102
$ 36.2
2
Auxiliary Venturi
15
71507
$ 41.9
2
Venturi (Choke Tube)
16
64955.110
-
2
Stud Bolt
17
45034.110
$ 15
1
Throttle Valve Control Lever
18
34710.003
$ 1.4
2
Shaft Fixing Nut
19
55520.004
$ 1.4
2
Lock Washer
20
55530.005
$ 7.7
2
Spring Ring
21
32650.003
$ 2.8
2
Bearing
22
74405
$ 5.1
2
Idle Jet
23
41565.002
-
4
Idle Jet O Ring
24
52570.006
$ 9
2
Idle Jet Holder
25
47600.007
$ 3.2
1
Throttle Adjusting Screw Spring
26
64625.015
$ 7.9
1
Throttle Adjusting Screw
27
47600.251
$ 15.2
1
Pump Rod Spring
28
58000.006
$ 2.6
2
Mixture Screw O Ring Cap
29
47600.062
$ 3.2
2
Mixture Screw Spring
30
64755.013
-
2
Mixture Screw
31
64700.004
$ 4
4
Pump Cover Screw
32
32486.085
-
1
Pump Cover
33
47407.207
$ 15
1
Pump Diaphragm
34
58445.001
-
1
Spring Pin
35
47600.250
$ 10
1
Pump Diaphragm Spring
36
61015.005
$ 3.4
3
Vacuum Take-Off Cover
37
64750.029
$ 12.4
2
Air Adjusting Screw
38
34705.001
$ 1
2
Air Adjusting Screw Nut
39
64005.103
$ 18.4
2
Throttle Valve
40
64520.027
-
4
Throttle Valve Fixing Screw
41
34705.004
-
4
Air Horn Nut
42
47610.035
$ 12.4
1
Throttle Return Spring
43
45034.109
$ 15
1
Throttle Valve Control Lever
44
64830.002
$ 6.7
2
Choke Fixing Screw
45
34715.010
-
2
Choke Fixing Screw Nut
46
64700.013
-
2
Starting Plate Fixing Screw
No
Parte No
Precio
Pzas.
Descripción
47
73401
$ 5.4
2
Main Jet
48
61450
$ 14.7
2
Emulsion tube
49
77401
$ 6.3
2
Air Correction Jet
50
52580.006
$ 14.3
2
Emulsion Tube Holder
51
41030.008
$ 15.9
1
Float
52
52000.001
$ 3.2
1
Float Pin
53
79511
$ 15.9
1
Needle Valve
54
83102.100
-
1
Needle Valve Gasket
55
64700.005
-
5
Carburetor Cover Fixing Screw
56
10525.023
$ 4.8
1
Fuel Inlet Pipe
57
12750.126
-
1
Pumping Extension Bushing
58
32610.003
$ 1.6
1
Spring Clip
59
34725.008
-
1
Pump Rod Nut
60
41535.003
-
2
Fuel Intake Coupling Gasket
61
55555.056
-
4
Air Horn Washer
62
61002.022
$ 13
1
Threaded Cap
63
10005.243
$ 49.7
1
Throttle Shaft
64
52135.008
$ 6.2
1
Blanking plate
65
10140.002
$ 4.3
2
Spring Clip
66
12775.024
$ 5.8
2
Spring guide and retainer
67
47600.133
$ 4.1
2
Starter Valve Spring
68
64330.009
$ 11.7
2
Starter Valve
69
41205.101
$ 15.2
2
Starter Jet F5
70
52580.001
$ 9.2
2
Emulsion Tube Holder
71
64700.004
$ 4
2
Cold Start Fixing Screw
72
55510.038
-
2
Flat Washer
73
64605.017
$ 2
1
Choke Cable Clamp
74
34715.010
-
1
Lever fixing nut
75
55525.010
-
1
Spring washer
76
34720.002
$ 7.7
1
Cold Start Nut
77
45025.029
$ 8.9
1
Cold Start Lever
78
64800.002
$ 8.7
1
Screw securing wire
79
45027.030
-
1
Cold Start Lever Assembly
80
47610.006
$ 12.4
1
Lever return spring
81
32556.001
-
1
Cold Start Unit
82
10085.003
$ 8.9
1
Starting shaft
83
37000.016
$ 7.6
1
Filter Screen
84
32556.002
$ 44
1
Cold Start Unit
85
58000.002
$ 5.1
2
Spring Retaining Cover
86
45027.139
-
1
Pump Cam
87
ST2283
$ 1.6
1
Blanking Plate Gasket
88
-
1
Carburetor body
89
-
1
Carburetor top cover
90
-
1
Washer
91
52845.014
$ 21.5
2
Air horn
92
34705.004
-
4
Air horn nut