Anonymous buyer


 









 






 
 


DCOE
DCO/SP

IDF

DG/DF

IDA

IDA 3C

Dellorto
DHLA

Dellorto
DRLA

Throttle
bodies

Solex


Carb manufacturer: Carb model:
  Share link to this diagram
   Download exploded view as PDF   

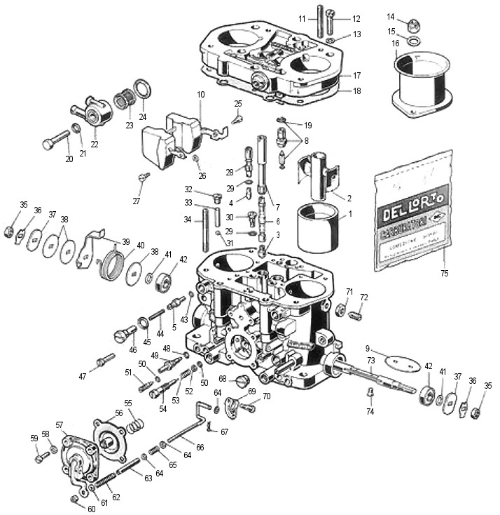
DELLORTO 40 DRLA parts diagram


- click on part to see more




List of parts:

NoPart NoPricePcsDescription
110527.30.65$ 25.92Venturi
210078.1.68-2Auxiliary venturi
37484.160.02$ 72Main jet
47644.60.02$ 72Idle jet
510927.55.02$ 102Pump jet
69164.2.28-2Main emulsion tube
710304.150.01-2Main air corrector
810305.225.33-1Needle valve
97481.4.64-2Throttle valve
1010090.1.80-1Float g 10
1111148-36$ 5.62Velocity stack securing stud
126430-36$ 1.95Bowl cover securing screw
134957-23-5Washer
148097-27$ 5.64Velocity stack securing nut
156781-23-4Washer
168257-55$ 40.42Velocity stack
1711071-54-1Bowl cover
18-$ 10.11Bowl cover gasket
19-$ 10.11Needle valve gasket
2010132-36$ 8.51Union securing screw
21-$ 10.11Union securing screw gasket
2211067-38$ 37.41Fuel inlet pipe union
231419-29$ 7.41Fuel filter
24-$ 10.11Union gasket
2510154-22$ 4.21Float pin
268498-21-1Float clip
2710339-22$ 9.61Float pin
2810738-32$ 17.32Idle jet holder
29-$ 10.13Idle jet holder and intake valve gasket
307542-33$ 20.21Intake valve
316415-03$ 3.62Delivery valve
327513-34$ 8.62Delivery valve seat plug
337636-42$ 102Delivery valve weight
3411149-36-2Velocity stack securing stud
356423-27$ 1.42Throttle spindle nut
366581-23$ 2.22Retaining plate
377958-23$ 3.72Washer
3810130-23-3Washer
3911066-26-1Idle throttle adj. lever
4010158-61$ 8.51Throttle spindle return spring
417537-23$ 2.72Washer
427490-45$ 2.82Ball bearing
43-$ 10.12Pump jet gasket
4410748-29$ 7.62Fuel filler
45-$ 10.12Pump jet plug gasket
4610928-34$ 262Pump jet plug
479754-37$ 10.81Idle throttle adj. screw
48-$ 10.12Pressure intake union gasket
4910138-38$ 16.52Pressure intake union
50-$ 10.14By-pass and Idle mixture adj. screw gasket
519926-37$ 11.42By-pass screw
528260-23-2Flat washer
539336-61$ 2.62Idle mixture adj screw spring
5411068-37$ 15.92Idle mixture adj. screw
559663-61$ 2.21Pump diaphragm spring
5610182-44$ 25.11Pump diaphragm
5710256-67-1Pump cover
585011-23$ 1.14Washer
596429-36$ 1.74Pump cover securing screw
6010315-27-1Pump link nut
6110340-23-1Washer
6210332-61$ 41Pump link spring
6310331-35$ 5.61Distance tube
648260-23-3Washer
659336-61$ 2.61Pump link spring
6610316-24$ 46.21Pump lever link
6710686-21-1Clip
688857-34$ 11.52Progression holes well plug
6910153-26$ 25.91Pump control lever
707667-36$ 5.21Pump lever securing screw
716423-27$ 1.42Aux. venturi screw securing nut
727507-36$ 7.52Aux. venturi securing screw
7310790-39$ 1101Throttle valves spindle
746416-36$ 2.84Throttle valves securing screw

DELLORTO 40 DRLA
Exploded view

https://www.carbparts.euPrices and product availability are subject to change

DELLORTO 40 DRLA
List of parts

https://www.carbparts.euPrices and product availability are subject to change
NoPart NoPricePcsDescription
110527.30.65$ 25.92Venturi
210078.1.68-2Auxiliary venturi
37484.160.02$ 72Main jet
47644.60.02$ 72Idle jet
510927.55.02$ 102Pump jet
69164.2.28-2Main emulsion tube
710304.150.01-2Main air corrector
810305.225.33-1Needle valve
97481.4.64-2Throttle valve
1010090.1.80-1Float g 10
1111148-36$ 5.62Velocity stack securing stud
126430-36$ 1.95Bowl cover securing screw
134957-23-5Washer
148097-27$ 5.64Velocity stack securing nut
156781-23-4Washer
168257-55$ 40.42Velocity stack
1711071-54-1Bowl cover
18-$ 10.11Bowl cover gasket
19-$ 10.11Needle valve gasket
2010132-36$ 8.51Union securing screw
21-$ 10.11Union securing screw gasket
2211067-38$ 37.41Fuel inlet pipe union
231419-29$ 7.41Fuel filter
24-$ 10.11Union gasket
2510154-22$ 4.21Float pin
268498-21-1Float clip
2710339-22$ 9.61Float pin
2810738-32$ 17.32Idle jet holder
29-$ 10.13Idle jet holder and intake valve gasket
307542-33$ 20.21Intake valve
316415-03$ 3.62Delivery valve
327513-34$ 8.62Delivery valve seat plug
337636-42$ 102Delivery valve weight
3411149-36-2Velocity stack securing stud
356423-27$ 1.42Throttle spindle nut
366581-23$ 2.22Retaining plate
377958-23$ 3.72Washer
 
NoPart NoPricePcsDescription
3810130-23-3Washer
3911066-26-1Idle throttle adj. lever
4010158-61$ 8.51Throttle spindle return spring
417537-23$ 2.72Washer
427490-45$ 2.82Ball bearing
43-$ 10.12Pump jet gasket
4410748-29$ 7.62Fuel filler
45-$ 10.12Pump jet plug gasket
4610928-34$ 262Pump jet plug
479754-37$ 10.81Idle throttle adj. screw
48-$ 10.12Pressure intake union gasket
4910138-38$ 16.52Pressure intake union
50-$ 10.14By-pass and Idle mixture adj. screw gasket
519926-37$ 11.42By-pass screw
528260-23-2Flat washer
539336-61$ 2.62Idle mixture adj screw spring
5411068-37$ 15.92Idle mixture adj. screw
559663-61$ 2.21Pump diaphragm spring
5610182-44$ 25.11Pump diaphragm
5710256-67-1Pump cover
585011-23$ 1.14Washer
596429-36$ 1.74Pump cover securing screw
6010315-27-1Pump link nut
6110340-23-1Washer
6210332-61$ 41Pump link spring
6310331-35$ 5.61Distance tube
648260-23-3Washer
659336-61$ 2.61Pump link spring
6610316-24$ 46.21Pump lever link
6710686-21-1Clip
688857-34$ 11.52Progression holes well plug
6910153-26$ 25.91Pump control lever
707667-36$ 5.21Pump lever securing screw
716423-27$ 1.42Aux. venturi screw securing nut
727507-36$ 7.52Aux. venturi securing screw
7310790-39$ 1101Throttle valves spindle
746416-36$ 2.84Throttle valves securing screw