Anonymer Käufer


 









 






 
 



Carb manufacturer: Carb model:
  Share link to this diagram
   Explosionszeichnung als PDF herunterladen   

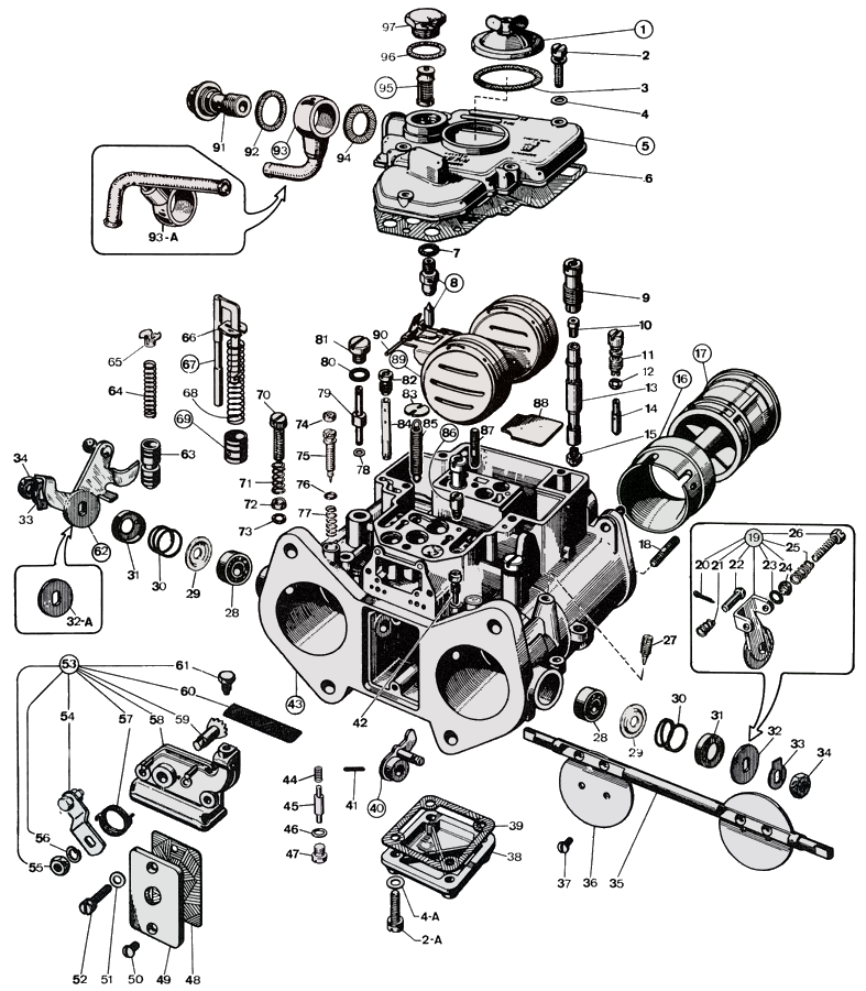
WEBER 40 DCOE emission model Teileplan


- Klicken Sie auf ein Teil, um mehr zu sehen




Liste der Teile:

NoTeil Nr.PreisSt.Beschreibung
132376.003$ 15.21Jet inspection cover
264700.001-5Top Cover Screw
2A64700.001-4Fixing Screw
341550.002$ 1.41Jet Inspection Cover Gasket
455510.034-5Spring Washer
4A55510.034-4Spring Washer
531734.098-1Top cover (40 DCOE 106)
531734.099-1Top cover (40 DCOE 107)
641715.001$ 8.31Carburettor Cover Gasket
783102.100-1Needle valve gasket
879503.150*$ 15.91Float valve
952580.001$ 9.22Emulsion Tube Holder 
1077401.180*$ 6.32Air bleed jet
1152585.005$ 25.32Idle Jet Holder 
1241565.015-2Idle Mixture Screw O Ring
1361450.057*$ 31.32Emulsion Tube 
1474833.055*-2Idle Jet
1573401.132*$ 3.62Main Jet
1672302.300*$ 18.42Choke tube
1770001.600*-2Auxiliary venturi
1864955.108$ 5.12Air horns stud
1945048.018-1Synchro lever (40 DCOE 106) consist of:
2032610.002-1- Spilt pin
2147600.093$ 3.11- Spring
2252010.097-1- Pin
2341565.002-1- O-Ring
2458000.006$ 2.61- Throttle Stop Screw O Ring Cap
2547600.094$ 3.11- Spring
2664625.015$ 7.71- Screw
2764595.012-2Air by-pass screw
2832650.001$ 6.62Throttle Shaft Bearing 
2958000.002$ 4.82Spring Retaining Cover
3047600.063$ 2.62Spring
3158000.007$ 3.72Retaining Cover 
32A55555.010$ 3.31Washer For Shaft
3255555.010$ 3.31Washer For Shaft
3355520.004$ 1.42Throttle Shaft Lock Washer
3434710.003$ 1.42Throttle Spindle Nut
3510005.401$ 48.31Throttle Shaft
3664005.059$ 17.42Throttle Valve
3764570.006$ 4.14Throttle Plate Screw 
3832374.008$ 23.61Bottom Cover
3941640.001$ 5.11Bottom cover gasket
4045082.005$ 19.41Pump Cam
4158445.001-1Fixing Pin
4264590.008$ 11.72Vacuum screw cap
43--1Carburetor Body
4447600.224$ 101Bush retaining spring
4564330.013$ 6.61Valve
4641530.012-1Pump jet gasket
4761015.014$ 6.41Pump Demand Valve Cover
4841640.021$ 1.61Pump cover gasket
4952135.024$ 8.31Inspection plate
5064570.009-2Inspection Cover Fixing Screw
5155510.038-2Flat Washer 
5264700.004$ 42Choke cover fixing screw
5332556.002$ 42.71Cold Start Unit
5332556.018$ 48.61Cold start unit (40 DCOE 106)
5445027.030-1— Cold Start Lever Assembly
5534715.010-1— Lever fixing nut
5655525.010-1— Spring washer
5747610.006$ 12.41— Lever return spring
5832556.001-1— Cold Start Unit
5910085.003$ 8.51— Starting shaft
6037000.016$ 7.61— Filter Screen
6164605.017$ 21Choke Cable Clamp
6245041.085-1Throttle lever (40 DCOE 107)
6364330.003$ 11.72Starter valve
6447600.005$ 2.62Starter Valve Spring 
6552030.003$ 5.82Guide Bush for spring
6652140.010-1Pump Screen retainer 
6710410.025$ 47.31Pump Rod
6847600.034$ 9.21Spring
6958602.013$ 10.21Pump plunger
7064585.005-1Throttle stop screw
7147600.007$ 3.11Throttle Stop Screw Spring
7258000.006$ 2.61Throttle Stop Screw O Ring Cap
7341565.002-1Throttle Stop Screw ´O´ Ring
7461075.021-2Idle mixture screw tamper proof plug
7564750.058$ 102Idle Mixture Screw
7641565.015-2Idle Mixture Screw O Ring
7747600.007$ 3.12Idle Mixture Screw Spring
7841535.021$ 1.42Pump Jet Gasket
7976801.030*$ 9.32Pump jet
8041565.009-2Pump Jet Cover O ring
8161015.008$ 152Pump jet cover
8277505.150*$ 11.72Emulsion tube holder air corrector
8352210.006$ 2.11Spring Anchor Plate
8475507.085*$ 202Starter Jet
8547605.009$ 3.21Throttle Return Spring
8679701.000*$ 131Back bleed valve
8764955.007$ 13.31Inspection cover stud
8852130.003$ 3.31Plate
8941030.005$ 41.61Float
9052000.001$ 3.21Float Fulcrum Pin
9112715.008$ 11.41Fuel Union Bolt 
9241530.024-1Fuel Filter Gasket
9310536.035$ 13.31Fuel union (40 DCOE 107)
9310536.034$ 231Fuel union (40 DCOE 106)
9441530.031-1Fuel Union Gasket 
9537022.002$ 7.41Filter element
9641530.024-1Fuel Filter Gasket
9761002.010$ 8.61Fuel Filter Cover

WEBER 40 DCOE emission model
Exploded view

https://www.carbparts.euPreise und Produktverfügbarkeit können sich ändern

WEBER 40 DCOE emission model
Liste der Teile

https://www.carbparts.euPreise und Produktverfügbarkeit können sich ändern
NoTeil Nr.PreisSt.Beschreibung
132376.003$ 15.21Jet inspection cover
264700.001-5Top Cover Screw
2A64700.001-4Fixing Screw
341550.002$ 1.41Jet Inspection Cover Gasket
455510.034-5Spring Washer
4A55510.034-4Spring Washer
531734.098-1Top cover (40 DCOE 106)
531734.099-1Top cover (40 DCOE 107)
641715.001$ 8.31Carburettor Cover Gasket
783102.100-1Needle valve gasket
879503.150*$ 15.91Float valve
952580.001$ 9.22Emulsion Tube Holder 
1077401.180*$ 6.32Air bleed jet
1152585.005$ 25.32Idle Jet Holder 
1241565.015-2Idle Mixture Screw O Ring
1361450.057*$ 31.32Emulsion Tube 
1474833.055*-2Idle Jet
1573401.132*$ 3.62Main Jet
1672302.300*$ 18.42Choke tube
1770001.600*-2Auxiliary venturi
1864955.108$ 5.12Air horns stud
1945048.018-1Synchro lever (40 DCOE 106) consist of:
2032610.002-1- Spilt pin
2147600.093$ 3.11- Spring
2252010.097-1- Pin
2341565.002-1- O-Ring
2458000.006$ 2.61- Throttle Stop Screw O Ring Cap
2547600.094$ 3.11- Spring
2664625.015$ 7.71- Screw
2764595.012-2Air by-pass screw
2832650.001$ 6.62Throttle Shaft Bearing 
2958000.002$ 4.82Spring Retaining Cover
3047600.063$ 2.62Spring
3158000.007$ 3.72Retaining Cover 
32A55555.010$ 3.31Washer For Shaft
3255555.010$ 3.31Washer For Shaft
3355520.004$ 1.42Throttle Shaft Lock Washer
3434710.003$ 1.42Throttle Spindle Nut
3510005.401$ 48.31Throttle Shaft
3664005.059$ 17.42Throttle Valve
3764570.006$ 4.14Throttle Plate Screw 
3832374.008$ 23.61Bottom Cover
3941640.001$ 5.11Bottom cover gasket
4045082.005$ 19.41Pump Cam
4158445.001-1Fixing Pin
4264590.008$ 11.72Vacuum screw cap
43--1Carburetor Body
4447600.224$ 101Bush retaining spring
4564330.013$ 6.61Valve
4641530.012-1Pump jet gasket
4761015.014$ 6.41Pump Demand Valve Cover
4841640.021$ 1.61Pump cover gasket
 
NoTeil Nr.PreisSt.Beschreibung
4952135.024$ 8.31Inspection plate
5064570.009-2Inspection Cover Fixing Screw
5155510.038-2Flat Washer 
5264700.004$ 42Choke cover fixing screw
5332556.002$ 42.71Cold Start Unit
5332556.018$ 48.61Cold start unit (40 DCOE 106)
5445027.030-1— Cold Start Lever Assembly
5534715.010-1— Lever fixing nut
5655525.010-1— Spring washer
5747610.006$ 12.41— Lever return spring
5832556.001-1— Cold Start Unit
5910085.003$ 8.51— Starting shaft
6037000.016$ 7.61— Filter Screen
6164605.017$ 21Choke Cable Clamp
6245041.085-1Throttle lever (40 DCOE 107)
6364330.003$ 11.72Starter valve
6447600.005$ 2.62Starter Valve Spring 
6552030.003$ 5.82Guide Bush for spring
6652140.010-1Pump Screen retainer 
6710410.025$ 47.31Pump Rod
6847600.034$ 9.21Spring
6958602.013$ 10.21Pump plunger
7064585.005-1Throttle stop screw
7147600.007$ 3.11Throttle Stop Screw Spring
7258000.006$ 2.61Throttle Stop Screw O Ring Cap
7341565.002-1Throttle Stop Screw ´O´ Ring
7461075.021-2Idle mixture screw tamper proof plug
7564750.058$ 102Idle Mixture Screw
7641565.015-2Idle Mixture Screw O Ring
7747600.007$ 3.12Idle Mixture Screw Spring
7841535.021$ 1.42Pump Jet Gasket
7976801.030*$ 9.32Pump jet
8041565.009-2Pump Jet Cover O ring
8161015.008$ 152Pump jet cover
8277505.150*$ 11.72Emulsion tube holder air corrector
8352210.006$ 2.11Spring Anchor Plate
8475507.085*$ 202Starter Jet
8547605.009$ 3.21Throttle Return Spring
8679701.000*$ 131Back bleed valve
8764955.007$ 13.31Inspection cover stud
8852130.003$ 3.31Plate
8941030.005$ 41.61Float
9052000.001$ 3.21Float Fulcrum Pin
9112715.008$ 11.41Fuel Union Bolt 
9241530.024-1Fuel Filter Gasket
9310536.035$ 13.31Fuel union (40 DCOE 107)
9310536.034$ 231Fuel union (40 DCOE 106)
9441530.031-1Fuel Union Gasket 
9537022.002$ 7.41Filter element
9641530.024-1Fuel Filter Gasket
9761002.010$ 8.61Fuel Filter Cover