Anonymer Käufer


 









 






 
 



Carb manufacturer: Carb model:
  Share link to this diagram
   Explosionszeichnung als PDF herunterladen   

WEBER 58 DCO 3 Teileplan


- Klicken Sie auf ein Teil, um mehr zu sehen




Liste der Teile:

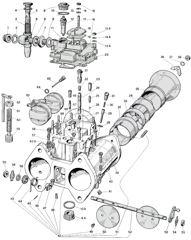
NoTeil Nr.PreisSt.Beschreibung
1TS 598-1Box nut for fuel filter casing
2236-1Gasket for fuel filter casing
3TS 600-1Strainer
4TS 610-1Gasket for tap
5TS 609-1Strainer plug
6F 54-1Fuel filter casing
7TS 597-1Connection for fuel filter casing
8235-2Gasket for connection
9ATS 715-1Float bowl exhaust screw plug
9TS 715-1Needle valve seat inspection tap
10G 97-1Gasket for needle valve seat inspection tap
10AG 97-1Gasket for bowl exhaust screw plug
11233-1Gasket for needle valve seat
12TS 1407a/m-1Needle valve seat
131356-2Vasher for carburetor small lid fixing nut
13A1356-7Washer for carburetor cover fixing nut
1441-2Spring washer for carburetor small lid fixing nut
14A41-7Spring washer for carburetor cover fixing nut
1551-2Carburetor small lid fixing nut
15A51-7Carburetor cover fixing nut
16TS 922a-1Carburetor cover, including:
171366-2— Stud bolt securing small lid
18TS 923-1Small lid for jets inspection
19TS 927-1Gasket for small lid
20TS 928-1Gasket for carburetor cover
21TS 670$ 15.52Emulsioning tube holder
22969$ 3.62Emulsion tube air corrector jet
23TS 1032-2Screw for stuffing ball
24TS 671-2Emulsioning tube
25TS 1033-2Stuffing ball for high speed valve
26756-2Ball for high speed valve
27TS 195$ 3.62Main jet
28TS 724-2Gasket for pump jet
29TS 251-2Pump jet
30817-2Spring for pump jet
31TS 723-2Pump jet holder
32TS 1418a-2Choke
33TS 1146a-2Auxiliary venturi
34TS 1149a-2Auxiliary venturi extension pipe
35TS 1142a-2Additional air horn
36TS 930-4Plate securing air horn
37N 74-4Spring washer for carburettor airhornfixing nut
38A 458-4Nut securing air horn
39970-1Idling adjusting screw
40A38-2Spring for idle mixture adjusting screw
4038-1Spring for idling adjusting screw
41TS 240-2Tapping screw for inspection holes
42-1Carburetor body (not supplied) including:
43TS 1178-1— Washer for spring
44TS 1176-1— Throttle return spring
451349-1— Spring pin
46A 333-7— Stud bolt securing carburetor cover
47TS 945a-1— Pump control lever
48TS 1177-1— Spring retainer
49767-4— Throttles fixing screw
50TS 1141-2— Throttle valve
51TS 1031-4— Stud bolt securing air horn
52TS 1420-1— Throttles shaft
53LP 187a-1Throttles control lever
542464$ 2.12Lock washer with double tab
55865-2Fixing nut
566-1Distance v/asher
57TS 625-2Transition holes inspection screw
58864-2Idle mixture adjusting screw
59TS 831-1Pump piston
60TS 505-1Pump piston spring
61TS 504-1Retainer for pump piston spring
62TS 1152a-1Pump control shaft
63TS 752a-1Float
641937-1Gasket for float fulcrum scre
65TS 744a-1Float fulcrum screw
66TS 864-2Idling jet holder
67TS 865-2Idling jet
68937a-1Pump intake valve
69TS 510-1Pump discharge screw

WEBER 58 DCO 3
Exploded view

https://www.carbparts.euPreise und Produktverfügbarkeit können sich ändern

WEBER 58 DCO 3
Liste der Teile

https://www.carbparts.euPreise und Produktverfügbarkeit können sich ändern
NoTeil Nr.PreisSt.Beschreibung
1TS 598-1Box nut for fuel filter casing
2236-1Gasket for fuel filter casing
3TS 600-1Strainer
4TS 610-1Gasket for tap
5TS 609-1Strainer plug
6F 54-1Fuel filter casing
7TS 597-1Connection for fuel filter casing
8235-2Gasket for connection
9ATS 715-1Float bowl exhaust screw plug
9TS 715-1Needle valve seat inspection tap
10G 97-1Gasket for needle valve seat inspection tap
10AG 97-1Gasket for bowl exhaust screw plug
11233-1Gasket for needle valve seat
12TS 1407a/m-1Needle valve seat
131356-2Vasher for carburetor small lid fixing nut
13A1356-7Washer for carburetor cover fixing nut
1441-2Spring washer for carburetor small lid fixing nut
14A41-7Spring washer for carburetor cover fixing nut
1551-2Carburetor small lid fixing nut
15A51-7Carburetor cover fixing nut
16TS 922a-1Carburetor cover, including:
171366-2— Stud bolt securing small lid
18TS 923-1Small lid for jets inspection
19TS 927-1Gasket for small lid
20TS 928-1Gasket for carburetor cover
21TS 670$ 15.52Emulsioning tube holder
22969$ 3.62Emulsion tube air corrector jet
23TS 1032-2Screw for stuffing ball
24TS 671-2Emulsioning tube
25TS 1033-2Stuffing ball for high speed valve
26756-2Ball for high speed valve
27TS 195$ 3.62Main jet
28TS 724-2Gasket for pump jet
29TS 251-2Pump jet
30817-2Spring for pump jet
31TS 723-2Pump jet holder
32TS 1418a-2Choke
33TS 1146a-2Auxiliary venturi
 
NoTeil Nr.PreisSt.Beschreibung
34TS 1149a-2Auxiliary venturi extension pipe
35TS 1142a-2Additional air horn
36TS 930-4Plate securing air horn
37N 74-4Spring washer for carburettor airhornfixing nut
38A 458-4Nut securing air horn
39970-1Idling adjusting screw
40A38-2Spring for idle mixture adjusting screw
4038-1Spring for idling adjusting screw
41TS 240-2Tapping screw for inspection holes
42-1Carburetor body (not supplied) including:
43TS 1178-1— Washer for spring
44TS 1176-1— Throttle return spring
451349-1— Spring pin
46A 333-7— Stud bolt securing carburetor cover
47TS 945a-1— Pump control lever
48TS 1177-1— Spring retainer
49767-4— Throttles fixing screw
50TS 1141-2— Throttle valve
51TS 1031-4— Stud bolt securing air horn
52TS 1420-1— Throttles shaft
53LP 187a-1Throttles control lever
542464$ 2.12Lock washer with double tab
55865-2Fixing nut
566-1Distance v/asher
57TS 625-2Transition holes inspection screw
58864-2Idle mixture adjusting screw
59TS 831-1Pump piston
60TS 505-1Pump piston spring
61TS 504-1Retainer for pump piston spring
62TS 1152a-1Pump control shaft
63TS 752a-1Float
641937-1Gasket for float fulcrum scre
65TS 744a-1Float fulcrum screw
66TS 864-2Idling jet holder
67TS 865-2Idling jet
68937a-1Pump intake valve
69TS 510-1Pump discharge screw