Comprador anónimo


 









 






 
 



Carb manufacturer: Carb model:
  Share link to this diagram
   Descargar la vista detallada en PDF   

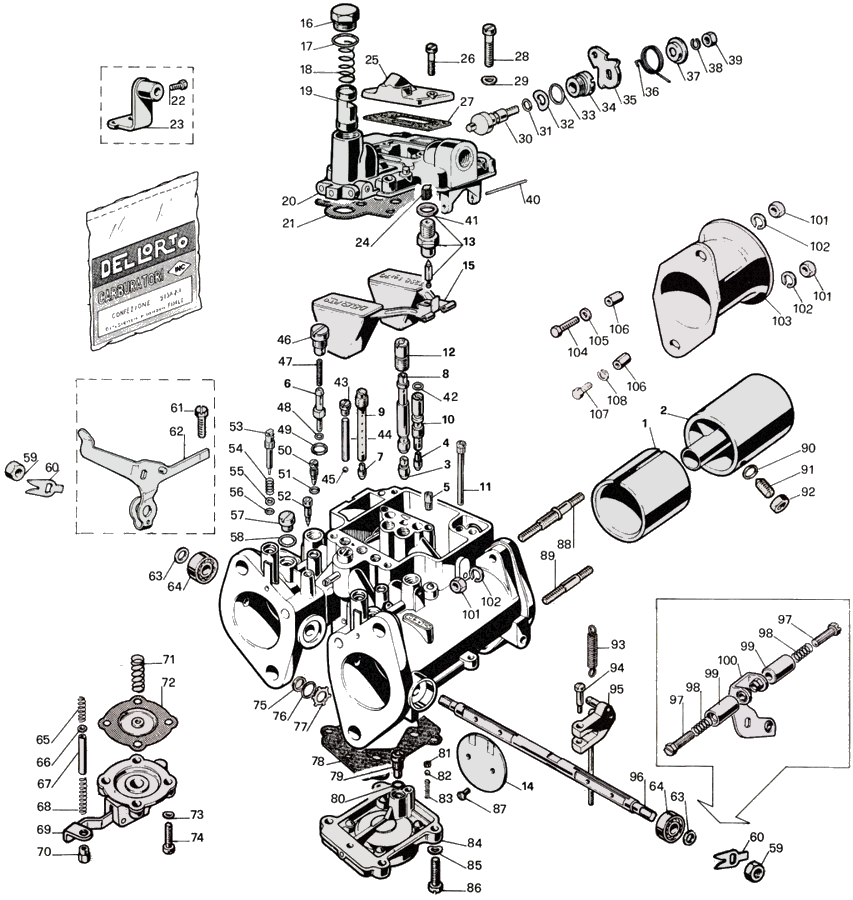
DELLORTO 45 DHLA M diagrama de partes


- haga clic en parte para ver más




Lista de partes:

NoParte NoPrecioPzas.Descripción
17956.37.65$ 21.62Choke tube
28011.2.68$ 452Auxiliary venturi
37484.165.02$ 72Main jet
47644.52.02$ 72Idle Jet
57529.110.02-2Getto potenza
610317.38.02-2Pump jet
73315.80.02-1Starter Jet
87772.13.28$ 22.12Main emulsion tube
97482.3.28-1Starter emulsion tube
107850.9.01$ 15.82Calibratore portagetto minimo
1111137.00.28$ 22.62Polverizzatore potenza
127485.230.01$ 72Calibratore aria massimo
1311135.200.33$ 16.21Float valve
148010.1.64-2Throttle plate
157298.1.80$ 36.61Galleggiante gr. 9
1610126-34$ 18.81Cold start cover
177834-30$ 21Guarnizione tappo sede valvola
187413-61$ 7.61Cold start spring
199609-64-1Starter Valve 
2011142-54-1Top cover
2112033-30-1Top cover gasket
226434-36$ 2.11Fixing screw
237488-63$ 19.81Cold start cable holder
249498-29-1Fuel filter
259925-06$ 65.21Jet cover
267530-36$ 2.12Jet cover screw
279933-30$ 11.21Jet cover gasket
286430-36$ 1.84Top cover screw
294997-23-4Diaphragm cover spring washer
3010128-39$ 40.31Colt start lever cam
317571-30$ 1.11Guarnizione alberino
327837-23$ 1.31Actuator cam spring washer
337834-30$ 21Guarnizione tappo alberino
3410127-34-1Tappo alberino comando avviamento
357341-26$ 6.71Cold start lever
367854-61$ 6.71Cold start cable return spring
377838-20$ 101Cold start spring cup washer
384957-23-1Spring washer
392906-27$ 1.31Choke spring retaining nut
407503-22$ 2.61Float pivot pin
416425-30-1Needle valve gasket
427540-30-2Washer
437513-34$ 8.52Counterweight Cap screw
447525-42$ 8.52Counterweight
456415-03$ 3.52Pump jet ball bearing
4610747-34$ 17.82Pump jet holder
4710748-29$ 7.62Fuel filter
486173-30$ 1.12Pump jet gasket
496426-30-2Pump jet cap fibre washer
509926-37$ 11.42Vite by-pass
518678-30-2Air bleed screw O ring
527959-34$ 6.22Vacuum blanking screw
5311132-37$ 11.32Vite regolazione miscela minimo
549336-61$ 2.62Pump rod spring
558260-23-2Mixture screw washer
568678-30-2Air bleed screw O ring
5710125-34-2Tappo pozzetto fori progressione
589155-30$ 1.72Guarnizione tappo pozzetto
596423-27$ 1.42Spindle nut
606581-23$ 2.12Spindle nut lock washer
619754-37$ 10.71Vite regolazione valvola gas
6211140-26$ 341Leva comando gas
637537-23$ 2.72Spindle washer
647490-45$ 2.82Spindle bearing
6510801-61$ 1.31Pump rod spring
668260-23-1Mixture screw washer
679662-35$ 3.71Pump rod tube
689861-61$ 2.41Pump rod spring
6910744-67-1Accelerator Pump Cover
7010740-27$ 8.41Spindle nut
719663-61$ 2.11Pump diaphgram spring
7210742-44$ 36.91Pump diaphragm
735011-23$ 1.14Spring washer (pump cover)
746429-36$ 1.74Screw (pump cover)
7510262-30$ 82Gasket
7610264-30$ 5.52Gasket
7710263-21$ 82Fermaglio guarnizioni
789989-30$ 5.11Pump body gasket
797542-33$ 19.81Pump non-return valve
807540-30-1Washer
819929-20-1Bussola rit. valvola sicurezza
826415-03$ 3.51Pump jet ball bearing
838543-61$ 10.61Counterweight spring
849931-90$ 54.11Pump body
854997-23-4Diaphragm cover spring washer
867526-36$ 1.64Pump body screw
876416-36$ 2.64Throttle plate screw
8811294-36-2Stud
897630-36$ 5.32Stud
901158-30$ 2.12Gasket
917507-36$ 7.32Venturi grub screw
929934-27$ 6.42Dado bloccaggio vite
937957-61$ 6.61Throttle return spring (std)
947667-36$ 5.21Pump rod clamp screw
958307-26$ 53.41Pump rod assy
968352-39$ 49.71Throttle spindle
979754-37$ 10.72Vite reg. accoppiamento (carb. R. 5349 A)
984670-61$ 5.62Throttle stop screw spring
9911127-20-2Bussola vite reg. acc. (carb. R. 5349 A)
10011129-26$ 45.31Leva accopp. (carb. R. 5349 A)
1017427-27-6Airhorn nut
1021948-23-6Spring washer
1038559-55$ 39.72Cornetto
1047062-36$ 9.31Cold start inner cable clamp
1056850-23$ 1.21Cable clamp washer
1068255-27-2Spindle nut
1077081-36$ 5.51Cold start inner cable clamp
1081581-23$ 1.11Diaphragm cover spring washer
9987956.37.65$ 21.62Choke tube
9998011.2.68-2Auxiliary venturi

DELLORTO 45 DHLA M
Exploded view

https://www.carbparts.euLos precios y la disponibilidad de los productos están sujetos a cambios

DELLORTO 45 DHLA M
Lista de partes

https://www.carbparts.euLos precios y la disponibilidad de los productos están sujetos a cambios
NoParte NoPrecioPzas.Descripción
17956.37.65$ 21.62Choke tube
28011.2.68$ 452Auxiliary venturi
37484.165.02$ 72Main jet
47644.52.02$ 72Idle Jet
57529.110.02-2Getto potenza
610317.38.02-2Pump jet
73315.80.02-1Starter Jet
87772.13.28$ 22.12Main emulsion tube
97482.3.28-1Starter emulsion tube
107850.9.01$ 15.82Calibratore portagetto minimo
1111137.00.28$ 22.62Polverizzatore potenza
127485.230.01$ 72Calibratore aria massimo
1311135.200.33$ 16.21Float valve
148010.1.64-2Throttle plate
157298.1.80$ 36.61Galleggiante gr. 9
1610126-34$ 18.81Cold start cover
177834-30$ 21Guarnizione tappo sede valvola
187413-61$ 7.61Cold start spring
199609-64-1Starter Valve 
2011142-54-1Top cover
2112033-30-1Top cover gasket
226434-36$ 2.11Fixing screw
237488-63$ 19.81Cold start cable holder
249498-29-1Fuel filter
259925-06$ 65.21Jet cover
267530-36$ 2.12Jet cover screw
279933-30$ 11.21Jet cover gasket
286430-36$ 1.84Top cover screw
294997-23-4Diaphragm cover spring washer
3010128-39$ 40.31Colt start lever cam
317571-30$ 1.11Guarnizione alberino
327837-23$ 1.31Actuator cam spring washer
337834-30$ 21Guarnizione tappo alberino
3410127-34-1Tappo alberino comando avviamento
357341-26$ 6.71Cold start lever
367854-61$ 6.71Cold start cable return spring
377838-20$ 101Cold start spring cup washer
384957-23-1Spring washer
392906-27$ 1.31Choke spring retaining nut
407503-22$ 2.61Float pivot pin
416425-30-1Needle valve gasket
427540-30-2Washer
437513-34$ 8.52Counterweight Cap screw
447525-42$ 8.52Counterweight
456415-03$ 3.52Pump jet ball bearing
4610747-34$ 17.82Pump jet holder
4710748-29$ 7.62Fuel filter
486173-30$ 1.12Pump jet gasket
496426-30-2Pump jet cap fibre washer
509926-37$ 11.42Vite by-pass
518678-30-2Air bleed screw O ring
527959-34$ 6.22Vacuum blanking screw
5311132-37$ 11.32Vite regolazione miscela minimo
549336-61$ 2.62Pump rod spring
 
NoParte NoPrecioPzas.Descripción
558260-23-2Mixture screw washer
568678-30-2Air bleed screw O ring
5710125-34-2Tappo pozzetto fori progressione
589155-30$ 1.72Guarnizione tappo pozzetto
596423-27$ 1.42Spindle nut
606581-23$ 2.12Spindle nut lock washer
619754-37$ 10.71Vite regolazione valvola gas
6211140-26$ 341Leva comando gas
637537-23$ 2.72Spindle washer
647490-45$ 2.82Spindle bearing
6510801-61$ 1.31Pump rod spring
668260-23-1Mixture screw washer
679662-35$ 3.71Pump rod tube
689861-61$ 2.41Pump rod spring
6910744-67-1Accelerator Pump Cover
7010740-27$ 8.41Spindle nut
719663-61$ 2.11Pump diaphgram spring
7210742-44$ 36.91Pump diaphragm
735011-23$ 1.14Spring washer (pump cover)
746429-36$ 1.74Screw (pump cover)
7510262-30$ 82Gasket
7610264-30$ 5.52Gasket
7710263-21$ 82Fermaglio guarnizioni
789989-30$ 5.11Pump body gasket
797542-33$ 19.81Pump non-return valve
807540-30-1Washer
819929-20-1Bussola rit. valvola sicurezza
826415-03$ 3.51Pump jet ball bearing
838543-61$ 10.61Counterweight spring
849931-90$ 54.11Pump body
854997-23-4Diaphragm cover spring washer
867526-36$ 1.64Pump body screw
876416-36$ 2.64Throttle plate screw
8811294-36-2Stud
897630-36$ 5.32Stud
901158-30$ 2.12Gasket
917507-36$ 7.32Venturi grub screw
929934-27$ 6.42Dado bloccaggio vite
937957-61$ 6.61Throttle return spring (std)
947667-36$ 5.21Pump rod clamp screw
958307-26$ 53.41Pump rod assy
968352-39$ 49.71Throttle spindle
979754-37$ 10.72Vite reg. accoppiamento (carb. R. 5349 A)
984670-61$ 5.62Throttle stop screw spring
9911127-20-2Bussola vite reg. acc. (carb. R. 5349 A)
10011129-26$ 45.31Leva accopp. (carb. R. 5349 A)
1017427-27-6Airhorn nut
1021948-23-6Spring washer
1038559-55$ 39.72Cornetto
1047062-36$ 9.31Cold start inner cable clamp
1056850-23$ 1.21Cable clamp washer
1068255-27-2Spindle nut
1077081-36$ 5.51Cold start inner cable clamp
1081581-23$ 1.11Diaphragm cover spring washer

DELLORTO 45 DHLA M
Lista de partes

https://www.carbparts.euLos precios y la disponibilidad de los productos están sujetos a cambios
NoParte NoPrecioPzas.Descripción
9987956.37.65$ 21.62Choke tube
 
NoParte NoPrecioPzas.Descripción
9998011.2.68-2Auxiliary venturi