×
12678
Correo electrónico: sales
@
carbparts
.
eu
$
€
£
Calculadora de chorro
Tabla de chorro
Despieces
Manual de servicio
Mostrar todas las partes
PASE EL CURSOR POR ENCIMA DEL NúMERO DE PARTE
SE CIERRAN SOBRE EL NúMERO
Use este enlace para compartir:
Imprimir la página como diagrama
Sobre nosotros
Pago & Envío
Condiciones generales
Programa de recomendación
GDPR
CERRAR
Comprador anónimo
Iniciar sesión
Código de descuento:
Comprobar
CARRITO VACÍO
ORDENAR
CERRAR
Destino de la entrega
Austria
Belgium
Bulgaria
Croatia
Cyprus
Czech Republic
Denmark
Estonia
Finland
France
Germany
Greece
Hungary
Ireland
Italy
Latvia
Lithuania
Luxembourg
Malta
Netherlands
Poland
Portugal
Romania
Slovakia
Slovenia
Spain
Sweden
Argentina
Australia
Bahrain
Barbados
Belarus
Bolivia
Bosnia and Herzegovina
Brazil
Brunei
Canada
Chile
China
Colombia
Ecuador
El Salvador
Ethiopia
Fiji
French Polynesia
Gibraltar
Guam
Hong Kong
Iceland
India
Indonesia
Israel
Jamaica
Japan
Jordan
Kazakhstan
Kenya
Kuwait
Lebanon
Liechtenstein
Macedonia
Malaysia
Maldives
Marshall Islands
Martinique
Mauritius
Mexico
Moldova
Montenegro
Namibia
Netherlands Antilles
New Caledonia
New Zealand
Northern Mariana Islands
Norway
Peru
Philippines
Puerto Rico
Reunion
Russia
Saudi Arabia
Serbia
Seychelles
Singapore
South Africa
South Korea
Spain Canary Islands
Sri Lanka
Switzerland
Taiwan
Tanzania
Thailand
Turkey
Ukraine
United Arab Emirates
United Kingdom
United States
Uruguay
Vanuatu
Virgin Islands (U.S.)
ZIP/Código postal
Opción de envío
Espere el envío
Opción de pago
Espere el pago
Correo electrónico
Teléfono
Nombre completo
Compañía
Dirección de la calle 1
Dirección de la calle 2
Ciudad
Estado/Provincia
Mensaje para el vendedor
PAGO
CERRAR
COMPRAR
Elija la moneda
Elija el idioma
English
Deutsche
Français
Italiano
Español
Polskie
Magyar
Ελληνική
Suomalainen
Svenska
やまと
Carb manufacturer:
DELLORTO
WEBER
Carb model:
22 IM
24/30 DCZC 1
24/32 DDC
26 DTR
26 IMB
26 OC 10
28 ICP
28 IMB
28/32 ADHA
28/36 DCD
28/36 DLE
28/36 DM A1
30 DGS
30 DICA
32 ADFA
32 DCOF
32 DCOF 2
32 DCOF 6
32 DIR 38
32 DMSA
32 DMTR 20
32 IBA 20
32 OF
32/34 DFT
32/34 DMTL
32/36 DFAV/DFEV
32/36 DGAV 4
32/36 DGAV/DGEV
32/36 DGV 5A
34 ADM 0
34 DMTR 21
34 DMTR 39
34 IBP
34 ICH
34 ICT
34 IMPE
35 DCNL 2/3
36 ADL 1/250
36 DCD
36 DCNVA 16
36 DCNVA 6
36 DCS
36 IDF 44/45
38 DCN
38 DCNL 5
38 DCOE 59/60
38 DGAS/DGES
40 DCM
40 DCN
40 DCNF
40 DCNL
40 DCO 3
40 DCOE early type
40 DCOE emission model
40 DCOE late type
40 DCOM 6/7
40 DCZ
40 DFAV
40 DFI
40 DFO
40 IDA 3C
40 IDF 13/15
40 IDF 70
42 DCNF 2
42 DCOE 8
44 IDF 40/41
44 IDF 71
45 DCOE 152
45 DCOE early
45 DFC 1
46 IDA 3C
48 DCO SP
48 DCOE 98/99
48 IDA
48 IDF 6
50 DCO
58 DCO 3
Share link to this diagram
Descargar la vista detallada en PDF
WEBER 30 DGS diagrama de partes
-
haga clic en parte para ver más
Lista de partes:
No
Parte No
Precio
Pzas.
Descripción
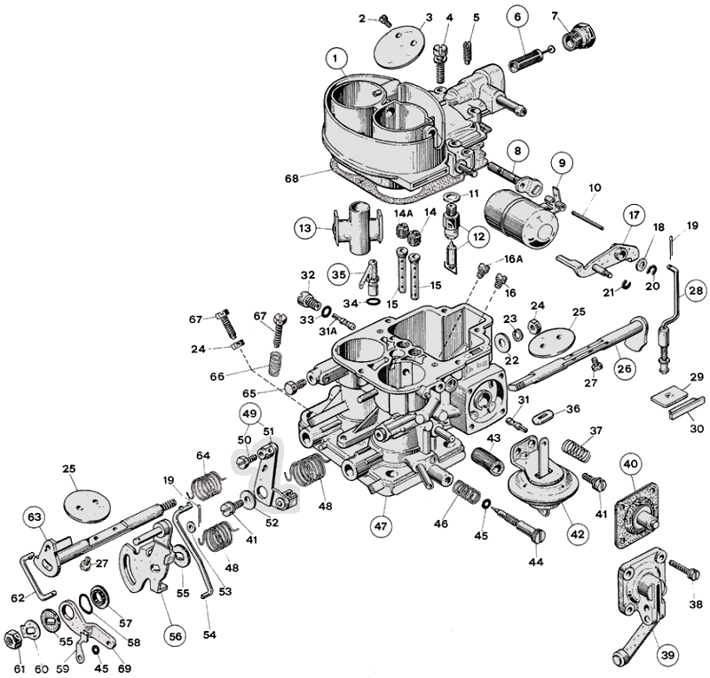
1
31716.171
-
1
Carb Top Cover
2
64525.003
-
2
Choke plate fixing screw
3
64010.031
-
1
Choke throttle valve
4
64700.005
-
5
Top Cover Fixing Screw
5
64595.005
$ 10.7
1
— Diaphragm adjusting screw
6
37022.004
$ 14
1
Filter element
7
61002.019
-
1
Fuel Filter Cover
8
10015.260
-
1
Choke shaft
9
41015.011
-
1
Float
10
52000.010
$ 2.6
1
Float Fulcrum Pin
11
41535.015
-
1
Needle valve gasket
12
64240.008
-
1
Float valve
13
31966.024
-
2
Auxiliary venturi
14
41360.013
$ 4.1
1
Air corrector jet
14
41360.014
$ 4.1
1
Air corrector jet
15
61440.365
$ 33.8
2
Emulsion tube
16
41120.001
$ 5.3
1
Main jet
16-A
41120.001
$ 5.3
1
Main jet
17
45069.020
-
1
Levier de commande appauvrisseur
18
55510.034
-
1
Spring Washer
19
32610.005
$ 1.6
2
Spilt pin
20
10140.502
$ 2.4
1
Locking Ring
21
10140.505
-
1
Locking Ring
22
55510.045
-
1
Spring Washer
23
55525.001
-
1
Spring Washer
24
34705.001
$ 1
2
Secondary shaft fixing nut
25
64005.004
$ 17.1
2
Throttle plate
26
10016.478
-
1
Oversized Primary Throttle Shaft
26
10015.501
-
1
Primary Shaft
27
64520.023
-
4
Throttle Plate Screw
28
61287.014
-
1
Choke rod
29
52135.010
$ 4.1
1
Dust seal plate
30
61070.002
$ 4.1
1
Dust seal plug
31
41160.003
$ 4.1
1
Idle jet
31-A
41160.003
$ 4.1
1
Idle jet
32
52570.006
$ 9
2
Idle Jet Holder
33
41565.002
-
2
Throttle Stop Screw ´O´ Ring
34
41565.001
-
1
Pump Jet ´O´ Ring
35
41254.008
$ 21.7
1
Pump jet
36
52135.019
-
1
Dust seal plate
37
47600.107
$ 12.4
1
Pump Spring
38
64700.006
-
4
Pump Cover Screw
39
32486.050
-
1
Accelerator Pump Cover
40
47407.051
-
1
Pump diaphragm
41
64700.012
$ 3.3
2
Lever Fixing Screw
42
57804.099
$ 55.7
1
Botte de dispositif appauvrisseur
43
61400.016
-
1
Pneumatic pump connecting pipe
44
64750.026
-
1
Idle Mixture Screw
45
41565.010
-
2
Idle Mixture Screw O Ring
46
47600.095
$ 2.8
1
Spring
47
non livrable
-
1
Carburetor body
48
47610.056
$ 5.8
2
Spring
49
45096.031
-
1
Choke Control Lever
50
64615.004
-
1
- Screw securing wire
51
45096.030
-
1
- Choke Control Lever
52
55510.002
$ 1.7
1
Normal washer
53
55510.056
$ 1.7
1
Flat Washer
54
61280.099
-
1
Carb Rod
55
55555.016
$ 2.3
2
Shaft Spacer
56
45131.006
-
1
Slotted Lever
57
12775.027
$ 10.3
1
Bushing For Lever
58
55530.002
$ 3.5
1
Wavy Washer
59
47670.001
-
1
Rod Clamp
60
55520.002
$ 1.4
1
Shaft Lock Tab
61
34715.014
$ 1.4
1
Throttle Spindle Nut
62
61280.101
-
1
Carb Rod
63
10015.502
-
1
Secondary Throttle Shaft
63
10016.479
-
1
Secondary Throttle Shaft Oversized
64
47610.076
$ 6.4
1
Lever return spring
65
64605.017
$ 2
1
— Choke Cable Clamp
66
47600.007
$ 3.2
1
Idle Mixture Screw Spring
67
64625.007
-
2
Throttle Adjustment Screw
68
41705.045
-
1
Carburetor Cover Gasket
69
45067.034
-
1
Lever
WEBER 30 DGS
Exploded view
https://www.carbparts.eu
Los precios y la disponibilidad de los productos están sujetos a cambios
WEBER 30 DGS
Lista de partes
https://www.carbparts.eu
Los precios y la disponibilidad de los productos están sujetos a cambios
No
Parte No
Precio
Pzas.
Descripción
1
31716.171
-
1
Carb Top Cover
2
64525.003
-
2
Choke plate fixing screw
3
64010.031
-
1
Choke throttle valve
4
64700.005
-
5
Top Cover Fixing Screw
5
64595.005
$ 10.7
1
— Diaphragm adjusting screw
6
37022.004
$ 14
1
Filter element
7
61002.019
-
1
Fuel Filter Cover
8
10015.260
-
1
Choke shaft
9
41015.011
-
1
Float
10
52000.010
$ 2.6
1
Float Fulcrum Pin
11
41535.015
-
1
Needle valve gasket
12
64240.008
-
1
Float valve
13
31966.024
-
2
Auxiliary venturi
14
41360.013
$ 4.1
1
Air corrector jet
14
41360.014
$ 4.1
1
Air corrector jet
15
61440.365
$ 33.8
2
Emulsion tube
16
41120.001
$ 5.3
1
Main jet
16-A
41120.001
$ 5.3
1
Main jet
17
45069.020
-
1
Levier de commande appauvrisseur
18
55510.034
-
1
Spring Washer
19
32610.005
$ 1.6
2
Spilt pin
20
10140.502
$ 2.4
1
Locking Ring
21
10140.505
-
1
Locking Ring
22
55510.045
-
1
Spring Washer
23
55525.001
-
1
Spring Washer
24
34705.001
$ 1
2
Secondary shaft fixing nut
25
64005.004
$ 17.1
2
Throttle plate
26
10016.478
-
1
Oversized Primary Throttle Shaft
26
10015.501
-
1
Primary Shaft
27
64520.023
-
4
Throttle Plate Screw
28
61287.014
-
1
Choke rod
29
52135.010
$ 4.1
1
Dust seal plate
30
61070.002
$ 4.1
1
Dust seal plug
31
41160.003
$ 4.1
1
Idle jet
31-A
41160.003
$ 4.1
1
Idle jet
32
52570.006
$ 9
2
Idle Jet Holder
33
41565.002
-
2
Throttle Stop Screw ´O´ Ring
No
Parte No
Precio
Pzas.
Descripción
34
41565.001
-
1
Pump Jet ´O´ Ring
35
41254.008
$ 21.7
1
Pump jet
36
52135.019
-
1
Dust seal plate
37
47600.107
$ 12.4
1
Pump Spring
38
64700.006
-
4
Pump Cover Screw
39
32486.050
-
1
Accelerator Pump Cover
40
47407.051
-
1
Pump diaphragm
41
64700.012
$ 3.3
2
Lever Fixing Screw
42
57804.099
$ 55.7
1
Botte de dispositif appauvrisseur
43
61400.016
-
1
Pneumatic pump connecting pipe
44
64750.026
-
1
Idle Mixture Screw
45
41565.010
-
2
Idle Mixture Screw O Ring
46
47600.095
$ 2.8
1
Spring
47
non livrable
-
1
Carburetor body
48
47610.056
$ 5.8
2
Spring
49
45096.031
-
1
Choke Control Lever
50
64615.004
-
1
- Screw securing wire
51
45096.030
-
1
- Choke Control Lever
52
55510.002
$ 1.7
1
Normal washer
53
55510.056
$ 1.7
1
Flat Washer
54
61280.099
-
1
Carb Rod
55
55555.016
$ 2.3
2
Shaft Spacer
56
45131.006
-
1
Slotted Lever
57
12775.027
$ 10.3
1
Bushing For Lever
58
55530.002
$ 3.5
1
Wavy Washer
59
47670.001
-
1
Rod Clamp
60
55520.002
$ 1.4
1
Shaft Lock Tab
61
34715.014
$ 1.4
1
Throttle Spindle Nut
62
61280.101
-
1
Carb Rod
63
10015.502
-
1
Secondary Throttle Shaft
63
10016.479
-
1
Secondary Throttle Shaft Oversized
64
47610.076
$ 6.4
1
Lever return spring
65
64605.017
$ 2
1
— Choke Cable Clamp
66
47600.007
$ 3.2
1
Idle Mixture Screw Spring
67
64625.007
-
2
Throttle Adjustment Screw
68
41705.045
-
1
Carburetor Cover Gasket
69
45067.034
-
1
Lever