×
12678
Correo electrónico: sales
@
carbparts
.
eu
$
€
£
Calculadora de chorro
Tabla de chorro
Despieces
Manual de servicio
Mostrar todas las partes
PASE EL CURSOR POR ENCIMA DEL NúMERO DE PARTE
SE CIERRAN SOBRE EL NúMERO
Use este enlace para compartir:
Imprimir la página como diagrama
Sobre nosotros
Pago & Envío
Condiciones generales
Programa de recomendación
GDPR
CERRAR
Comprador anónimo
Iniciar sesión
Código de descuento:
Comprobar
CARRITO VACÍO
ORDENAR
CERRAR
Destino de la entrega
Austria
Belgium
Bulgaria
Croatia
Cyprus
Czech Republic
Denmark
Estonia
Finland
France
Germany
Greece
Hungary
Ireland
Italy
Latvia
Lithuania
Luxembourg
Malta
Netherlands
Poland
Portugal
Romania
Slovakia
Slovenia
Spain
Sweden
Argentina
Australia
Bahrain
Barbados
Belarus
Bolivia
Bosnia and Herzegovina
Brazil
Brunei
Canada
Chile
China
Colombia
Ecuador
El Salvador
Ethiopia
Fiji
French Polynesia
Gibraltar
Guam
Hong Kong
Iceland
India
Indonesia
Israel
Jamaica
Japan
Jordan
Kazakhstan
Kenya
Kuwait
Lebanon
Liechtenstein
Macedonia
Malaysia
Maldives
Marshall Islands
Martinique
Mauritius
Mexico
Moldova
Montenegro
Namibia
Netherlands Antilles
New Caledonia
New Zealand
Northern Mariana Islands
Norway
Peru
Philippines
Puerto Rico
Reunion
Russia
Saudi Arabia
Serbia
Seychelles
Singapore
South Africa
South Korea
Spain Canary Islands
Sri Lanka
Switzerland
Taiwan
Tanzania
Thailand
Turkey
Ukraine
United Arab Emirates
United Kingdom
United States
Uruguay
Vanuatu
Virgin Islands (U.S.)
ZIP/Código postal
Opción de envío
Espere el envío
Opción de pago
Espere el pago
Correo electrónico
Teléfono
Nombre completo
Compañía
Dirección de la calle 1
Dirección de la calle 2
Ciudad
Estado/Provincia
Mensaje para el vendedor
PAGO
CERRAR
COMPRAR
Elija la moneda
Elija el idioma
English
Deutsche
Français
Italiano
Español
Polskie
Magyar
Ελληνική
Suomalainen
Svenska
やまと
Carb manufacturer:
DELLORTO
WEBER
Carb model:
22 IM
24/30 DCZC 1
24/32 DDC
26 DTR
26 IMB
26 OC 10
28 ICP
28 IMB
28/32 ADHA
28/36 DCD
28/36 DLE
28/36 DM A1
30 DGS
30 DICA
32 ADFA
32 DCOF
32 DCOF 2
32 DCOF 6
32 DIR 38
32 DMSA
32 DMTR 20
32 IBA 20
32 OF
32/34 DFT
32/34 DMTL
32/36 DFAV/DFEV
32/36 DGAV 4
32/36 DGAV/DGEV
32/36 DGV 5A
34 ADM 0
34 DMTR 21
34 DMTR 39
34 IBP
34 ICH
34 ICT
34 IMPE
35 DCNL 2/3
36 ADL 1/250
36 DCD
36 DCNVA 16
36 DCNVA 6
36 DCS
36 IDF 44/45
38 DCN
38 DCNL 5
38 DCOE 59/60
38 DGAS/DGES
40 DCM
40 DCN
40 DCNF
40 DCNL
40 DCO 3
40 DCOE early type
40 DCOE emission model
40 DCOE late type
40 DCOM 6/7
40 DCZ
40 DFAV
40 DFI
40 DFO
40 IDA 3C
40 IDF 13/15
40 IDF 70
42 DCNF 2
42 DCOE 8
44 IDF 40/41
44 IDF 71
45 DCOE 152
45 DCOE early
45 DFC 1
46 IDA 3C
48 DCO SP
48 DCOE 98/99
48 IDA
48 IDF 6
50 DCO
58 DCO 3
Share link to this diagram
Descargar la vista detallada en PDF
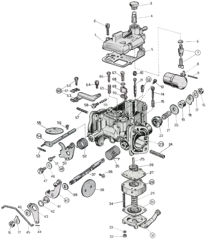
WEBER 32 OF diagrama de partes
-
haga clic en parte para ver más
Lista de partes:
No
Parte No
Precio
Pzas.
Descripción
1
31736.002
-
1
Carburetor top cover
2
64700.005
-
4
Top Cover Fixing Screw
3
61002.018
$ 15
1
Fuel Filter Cover
4
37022.002
$ 7.4
1
Filter element
5
41715.004
-
1
Top Cover Gasket
6
41535.015
-
1
Needle valve gasket
7
64240.008
-
1
Float valve
8
41015.011
-
1
Float
9
52000.010
$ 2.6
1
Float Fulcrum Pin
10
41360.001
$ 4.1
1
Air bleed jet
11
61440.166
$ 20.1
1
Emulsion tube
12
64290.001
$ 12.5
1
Back bleed valve
13
41120.001
$ 5.3
1
Main jet
14
64750.001
$ 5.1
1
Idle Mixture Screw
15
47600.007
$ 3.2
1
Idle Mixture Screw Spring
16
34715.014
$ 1.4
2
Throttle Spindle Nut
17
55520.002
$ 1.4
2
Shaft Lock Tab
18
14850.029
-
1
Pump Cam
19
12750.040
-
1
Shaft Distance Piece
20
55555.008
-
1
Primary Shaft Distance Washer
21
47600.027
$ 6.6
1
Bush retaining spring
22
50002.003
-
1
Shaft Bushing
23
-
1
Carburetor body
24
64955.201
-
2
Stud
25
47600.023
-
1
Diaphragm Loading Spring
26
64190.005
-
1
Pump Valve
27
47405.012
-
1
Pump Diaphragm
28
39174.003
-
1
Pump Body
29
47600.028
$ 4.9
1
Diaphragm Loading Spring
30
47407.012
-
1
Pump diaphragm
31
32486.011
-
1
Accelerator Pump Cover
32
34705.002
-
4
— Cold Start Nut
33
55525.007
$ 1
4
Spring Washer
34
64955.017
-
4
Stud
35
47610.013
-
1
Throttle Return Spring
36
64520.023
-
2
Throttle Plate Screw
37
10001.445
-
1
Primary Throttle Shaft - Oversized
37
10000.415
-
1
Throttle Shaft
38
64005.092
-
1
Throttle Valve
39
55555.016
$ 2.3
1
Shaft Spacer
40
45034.023
-
1
Throttle Valve Control Lever
41
12775.027
$ 10.3
1
Bushing For Lever
42
55530 002
-
1
Wavy Washer
43
45032.038
-
1
Fast idling loose lever
44
32610.005
$ 1.6
1
Spilt pin
45
61280.032
-
1
Tie rod
46
55555.003
$ 2.3
1
Washer For Shaft
47
64700.012
$ 3.3
1
Lever Fixing Screw
48
55510.002
$ 1.7
1
Spring Washer
49
45202.002
-
1
Lever
50
45202.001
-
1
— Throttle Lever
51
64615.004
-
1
- Screw securing wire
52
47610.058
-
1
Lever return spring
53
47605.023
-
1
Choke return spring
54
10015.212
-
1
Choke shaft
55
64005.009
-
1
Choke throttle valve
56
64525.003
-
2
Choke plate fixing screw
57
64955.103
-
3
Stud
58
52570.005
$ 12.4
1
Idle Jet Holder
59
41160.003
$ 4.1
1
Idle jet
60
58702.004
-
1
Supporto guaina completo di :
61
52145.001
-
1
Sheat securing plate
62
64615.007
-
1
- Screw securing wire
63
58700.001
-
1
— Sheat Support
64
64700.012
$ 3.3
1
Lever Fixing Screw
65
47600.007
$ 3.2
1
Idle Mixture Screw Spring
66
64625.007
-
1
Throttle Adjustment Screw
67
64890.003
-
1
Pump demand valve
68
41530.012
-
1
Pump jet gasket
69
41254.005
-
1
Pump jet
70
41640.033
-
1
Pump Jet Gasket
WEBER 32 OF
Exploded view
https://www.carbparts.eu
Los precios y la disponibilidad de los productos están sujetos a cambios
WEBER 32 OF
Lista de partes
https://www.carbparts.eu
Los precios y la disponibilidad de los productos están sujetos a cambios
No
Parte No
Precio
Pzas.
Descripción
1
31736.002
-
1
Carburetor top cover
2
64700.005
-
4
Top Cover Fixing Screw
3
61002.018
$ 15
1
Fuel Filter Cover
4
37022.002
$ 7.4
1
Filter element
5
41715.004
-
1
Top Cover Gasket
6
41535.015
-
1
Needle valve gasket
7
64240.008
-
1
Float valve
8
41015.011
-
1
Float
9
52000.010
$ 2.6
1
Float Fulcrum Pin
10
41360.001
$ 4.1
1
Air bleed jet
11
61440.166
$ 20.1
1
Emulsion tube
12
64290.001
$ 12.5
1
Back bleed valve
13
41120.001
$ 5.3
1
Main jet
14
64750.001
$ 5.1
1
Idle Mixture Screw
15
47600.007
$ 3.2
1
Idle Mixture Screw Spring
16
34715.014
$ 1.4
2
Throttle Spindle Nut
17
55520.002
$ 1.4
2
Shaft Lock Tab
18
14850.029
-
1
Pump Cam
19
12750.040
-
1
Shaft Distance Piece
20
55555.008
-
1
Primary Shaft Distance Washer
21
47600.027
$ 6.6
1
Bush retaining spring
22
50002.003
-
1
Shaft Bushing
23
-
1
Carburetor body
24
64955.201
-
2
Stud
25
47600.023
-
1
Diaphragm Loading Spring
26
64190.005
-
1
Pump Valve
27
47405.012
-
1
Pump Diaphragm
28
39174.003
-
1
Pump Body
29
47600.028
$ 4.9
1
Diaphragm Loading Spring
30
47407.012
-
1
Pump diaphragm
31
32486.011
-
1
Accelerator Pump Cover
32
34705.002
-
4
— Cold Start Nut
33
55525.007
$ 1
4
Spring Washer
34
64955.017
-
4
Stud
35
47610.013
-
1
Throttle Return Spring
36
64520.023
-
2
Throttle Plate Screw
No
Parte No
Precio
Pzas.
Descripción
37
10001.445
-
1
Primary Throttle Shaft - Oversized
37
10000.415
-
1
Throttle Shaft
38
64005.092
-
1
Throttle Valve
39
55555.016
$ 2.3
1
Shaft Spacer
40
45034.023
-
1
Throttle Valve Control Lever
41
12775.027
$ 10.3
1
Bushing For Lever
42
55530 002
-
1
Wavy Washer
43
45032.038
-
1
Fast idling loose lever
44
32610.005
$ 1.6
1
Spilt pin
45
61280.032
-
1
Tie rod
46
55555.003
$ 2.3
1
Washer For Shaft
47
64700.012
$ 3.3
1
Lever Fixing Screw
48
55510.002
$ 1.7
1
Spring Washer
49
45202.002
-
1
Lever
50
45202.001
-
1
— Throttle Lever
51
64615.004
-
1
- Screw securing wire
52
47610.058
-
1
Lever return spring
53
47605.023
-
1
Choke return spring
54
10015.212
-
1
Choke shaft
55
64005.009
-
1
Choke throttle valve
56
64525.003
-
2
Choke plate fixing screw
57
64955.103
-
3
Stud
58
52570.005
$ 12.4
1
Idle Jet Holder
59
41160.003
$ 4.1
1
Idle jet
60
58702.004
-
1
Supporto guaina completo di :
61
52145.001
-
1
Sheat securing plate
62
64615.007
-
1
- Screw securing wire
63
58700.001
-
1
— Sheat Support
64
64700.012
$ 3.3
1
Lever Fixing Screw
65
47600.007
$ 3.2
1
Idle Mixture Screw Spring
66
64625.007
-
1
Throttle Adjustment Screw
67
64890.003
-
1
Pump demand valve
68
41530.012
-
1
Pump jet gasket
69
41254.005
-
1
Pump jet
70
41640.033
-
1
Pump Jet Gasket