×
12678
Correo electrónico: sales
@
carbparts
.
eu
$
€
£
Calculadora de chorro
Tabla de chorro
Despieces
Manual de servicio
Mostrar todas las partes
PASE EL CURSOR POR ENCIMA DEL NúMERO DE PARTE
SE CIERRAN SOBRE EL NúMERO
Use este enlace para compartir:
Imprimir la página como diagrama
Sobre nosotros
Pago & Envío
Condiciones generales
Programa de recomendación
GDPR
CERRAR
Comprador anónimo
Iniciar sesión
Código de descuento:
Comprobar
CARRITO VACÍO
ORDENAR
CERRAR
Destino de la entrega
Austria
Belgium
Bulgaria
Croatia
Cyprus
Czech Republic
Denmark
Estonia
Finland
France
Germany
Greece
Hungary
Ireland
Italy
Latvia
Lithuania
Luxembourg
Malta
Netherlands
Poland
Portugal
Romania
Slovakia
Slovenia
Spain
Sweden
Argentina
Australia
Bahrain
Barbados
Belarus
Bolivia
Bosnia and Herzegovina
Brazil
Brunei
Canada
Chile
China
Colombia
Ecuador
El Salvador
Ethiopia
Fiji
French Polynesia
Gibraltar
Guam
Hong Kong
Iceland
India
Indonesia
Israel
Jamaica
Japan
Jordan
Kazakhstan
Kenya
Kuwait
Lebanon
Liechtenstein
Macedonia
Malaysia
Maldives
Marshall Islands
Martinique
Mauritius
Mexico
Moldova
Montenegro
Namibia
Netherlands Antilles
New Caledonia
New Zealand
Northern Mariana Islands
Norway
Peru
Philippines
Puerto Rico
Reunion
Russia
Saudi Arabia
Serbia
Seychelles
Singapore
South Africa
South Korea
Spain Canary Islands
Sri Lanka
Switzerland
Taiwan
Tanzania
Thailand
Turkey
Ukraine
United Arab Emirates
United Kingdom
United States
Uruguay
Vanuatu
Virgin Islands (U.S.)
ZIP/Código postal
Opción de envío
Espere el envío
Opción de pago
Espere el pago
Correo electrónico
Teléfono
Nombre completo
Compañía
Dirección de la calle 1
Dirección de la calle 2
Ciudad
Estado/Provincia
Mensaje para el vendedor
PAGO
CERRAR
COMPRAR
Elija la moneda
Elija el idioma
English
Deutsche
Français
Italiano
Español
Polskie
Magyar
Ελληνική
Suomalainen
Svenska
やまと
Carb manufacturer:
DELLORTO
WEBER
Carb model:
22 IM
24/30 DCZC 1
24/32 DDC
26 DTR
26 IMB
26 OC 10
28 ICP
28 IMB
28/32 ADHA
28/36 DCD
28/36 DLE
28/36 DM A1
30 DGS
30 DICA
32 ADFA
32 DCOF
32 DCOF 2
32 DCOF 6
32 DIR 38
32 DMSA
32 DMTR 20
32 IBA 20
32 OF
32/34 DFT
32/34 DMTL
32/36 DFAV/DFEV
32/36 DGAV 4
32/36 DGAV/DGEV
32/36 DGV 5A
34 ADM 0
34 DMTR 21
34 DMTR 39
34 IBP
34 ICH
34 ICT
34 IMPE
35 DCNL 2/3
36 ADL 1/250
36 DCD
36 DCNVA 16
36 DCNVA 6
36 DCS
36 IDF 44/45
38 DCN
38 DCNL 5
38 DCOE 59/60
38 DGAS/DGES
40 DCM
40 DCN
40 DCNF
40 DCNL
40 DCO 3
40 DCOE early type
40 DCOE emission model
40 DCOE late type
40 DCOM 6/7
40 DCZ
40 DFAV
40 DFI
40 DFO
40 IDA 3C
40 IDF 13/15
40 IDF 70
42 DCNF 2
42 DCOE 8
44 IDF 40/41
44 IDF 71
45 DCOE 152
45 DCOE early
45 DFC 1
46 IDA 3C
48 DCO SP
48 DCOE 98/99
48 IDA
48 IDF 6
50 DCO
58 DCO 3
Share link to this diagram
Descargar la vista detallada en PDF
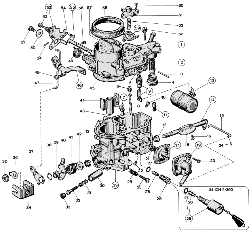
WEBER 34 ICH diagrama de partes
-
haga clic en parte para ver más
Lista de partes:
No
Parte No
Precio
Pzas.
Descripción
1
31706.080
-
1
Carburetor Body
2
37022.010
$ 7.2
1
Fuel Filter Screen
3
52000.010
$ 2.6
1
Float Pin
4
61002.018
$ 15
1
Strainer Inspection Plug
5
83102.070
-
1
Needle Valve Gasket
6
77201
$ 4.3
1
Air Corrector Jet
7
76407
$ 18.4
1
Pump Jet
8
61440
$ 20.1
1
Emulsion Tube
9
79507
$ 12.7
1
Needle & Seat
10
73801
$ 5.4
1
Main Jet
11
79701
$ 13.2
1
Pump Valve
12
41575.010
$ 7.2
2
Bushing
13
41015.011
-
1
Float
14
10015.494
$ 82.1
1
Throttle Shaft
15
61280.020
$ 14.7
1
Pump Control Rod
16
64520.023
-
2
Throttle Plate Fixing Screw
17
47407.261
$ 13.6
1
Accelerator Pump Diaphragm
18
64005.007
-
1
Throttle Plate
19
Not Serviced
-
1
Pump Cover
20
64565.001
-
4
Screw
21
47600.107
$ 12.4
1
Accelerator Pump Spring
22
Not Serviced
-
1
Plug
23
64625.012
$ 10.8
1
Throttle Stop Screw
24
32610.005
$ 1.6
2
Split Pin
25b
43904.050
$ 25.1
1
Idle Cut Off Solenoid
25a
52570.009
$ 15.9
1
Idle Jet Holder
26
74409
$ 6.1
1
Idle Jet
27
41565.019
-
1
O Ring For Idle Jet
28
47600.007
$ 3.2
1
Spring For Throttle Stop Screw
29
Not Serviced
-
1
Carburetor Body
30
Not Serviced
-
1
Bushing
31
47600.007
$ 3.2
1
Spring For Adjusting Screw
32
64750.048
$ 22.9
1
Carb Adjusting Screw
33
Not Serviced
-
1
Plug
34
45136.029
$ 16.4
1
Throttle Valve Control Lever
35
34715.014
$ 1.4
1
Throttle Shaft Fixing Nut
36
55520.002
$ 1.4
1
Shaft Lock Tab
37
45032.075
-
1
Fast Idle Control Lever
38
55530.002
$ 3.5
1
Wavy Washer
39
12775.007
-
1
Bushing
40
Not Serviced
-
1
Lever
41
47610.058
-
1
Spring For Choke Lever
42
55555.016
$ 2.3
1
Shaft Spacer
43
41565.001
-
1
O-Ring
44
70519.450
-
1
Auxiliary Venturi
45
41700.010
$ 5.3
1
Top Cover Gasket
46
58702.023
-
1
Choke Cable Bracket
47
61280.021
-
1
Fast Idle Control Rod
48
64700.012
$ 3.3
1
Lever Fixing Screw
49
47610.003
$ 5.8
1
Spring
50
55510.002
$ 1.7
1
Washer
51
64700.012
$ 3.3
1
Lever Fixing Screw
52
45202.125
-
1
Lever
53
64615.004
-
1
Screw
54
47605.040
-
1
Spring
55
10015.279
-
1
Choke Shaft
56
64525.003
-
2
Choke Plate Fixing Screw
57
64010.026
-
1
Choke Plate
58
10304.022
-
1
Rubber Air Filter Adaptor
59
47407.250
-
1
Power Valve Diaphragm
60
Not Serviced
-
3
Screw
61
Not Serviced
-
1
Power Valve Cover
62
47600.131
-
1
Spring
63
-
Screw
WEBER 34 ICH
Exploded view
https://www.carbparts.eu
Los precios y la disponibilidad de los productos están sujetos a cambios
WEBER 34 ICH
Lista de partes
https://www.carbparts.eu
Los precios y la disponibilidad de los productos están sujetos a cambios
No
Parte No
Precio
Pzas.
Descripción
1
31706.080
-
1
Carburetor Body
2
37022.010
$ 7.2
1
Fuel Filter Screen
3
52000.010
$ 2.6
1
Float Pin
4
61002.018
$ 15
1
Strainer Inspection Plug
5
83102.070
-
1
Needle Valve Gasket
6
77201
$ 4.3
1
Air Corrector Jet
7
76407
$ 18.4
1
Pump Jet
8
61440
$ 20.1
1
Emulsion Tube
9
79507
$ 12.7
1
Needle & Seat
10
73801
$ 5.4
1
Main Jet
11
79701
$ 13.2
1
Pump Valve
12
41575.010
$ 7.2
2
Bushing
13
41015.011
-
1
Float
14
10015.494
$ 82.1
1
Throttle Shaft
15
61280.020
$ 14.7
1
Pump Control Rod
16
64520.023
-
2
Throttle Plate Fixing Screw
17
47407.261
$ 13.6
1
Accelerator Pump Diaphragm
18
64005.007
-
1
Throttle Plate
19
Not Serviced
-
1
Pump Cover
20
64565.001
-
4
Screw
21
47600.107
$ 12.4
1
Accelerator Pump Spring
22
Not Serviced
-
1
Plug
23
64625.012
$ 10.8
1
Throttle Stop Screw
24
32610.005
$ 1.6
2
Split Pin
25b
43904.050
$ 25.1
1
Idle Cut Off Solenoid
25a
52570.009
$ 15.9
1
Idle Jet Holder
26
74409
$ 6.1
1
Idle Jet
27
41565.019
-
1
O Ring For Idle Jet
28
47600.007
$ 3.2
1
Spring For Throttle Stop Screw
29
Not Serviced
-
1
Carburetor Body
30
Not Serviced
-
1
Bushing
31
47600.007
$ 3.2
1
Spring For Adjusting Screw
No
Parte No
Precio
Pzas.
Descripción
32
64750.048
$ 22.9
1
Carb Adjusting Screw
33
Not Serviced
-
1
Plug
34
45136.029
$ 16.4
1
Throttle Valve Control Lever
35
34715.014
$ 1.4
1
Throttle Shaft Fixing Nut
36
55520.002
$ 1.4
1
Shaft Lock Tab
37
45032.075
-
1
Fast Idle Control Lever
38
55530.002
$ 3.5
1
Wavy Washer
39
12775.007
-
1
Bushing
40
Not Serviced
-
1
Lever
41
47610.058
-
1
Spring For Choke Lever
42
55555.016
$ 2.3
1
Shaft Spacer
43
41565.001
-
1
O-Ring
44
70519.450
-
1
Auxiliary Venturi
45
41700.010
$ 5.3
1
Top Cover Gasket
46
58702.023
-
1
Choke Cable Bracket
47
61280.021
-
1
Fast Idle Control Rod
48
64700.012
$ 3.3
1
Lever Fixing Screw
49
47610.003
$ 5.8
1
Spring
50
55510.002
$ 1.7
1
Washer
51
64700.012
$ 3.3
1
Lever Fixing Screw
52
45202.125
-
1
Lever
53
64615.004
-
1
Screw
54
47605.040
-
1
Spring
55
10015.279
-
1
Choke Shaft
56
64525.003
-
2
Choke Plate Fixing Screw
57
64010.026
-
1
Choke Plate
58
10304.022
-
1
Rubber Air Filter Adaptor
59
47407.250
-
1
Power Valve Diaphragm
60
Not Serviced
-
3
Screw
61
Not Serviced
-
1
Power Valve Cover
62
47600.131
-
1
Spring
63
-
Screw