×
12678
Correo electrónico: sales
@
carbparts
.
eu
$
€
£
Calculadora de chorro
Tabla de chorro
Despieces
Manual de servicio
Mostrar todas las partes
PASE EL CURSOR POR ENCIMA DEL NúMERO DE PARTE
SE CIERRAN SOBRE EL NúMERO
Use este enlace para compartir:
Imprimir la página como diagrama
Sobre nosotros
Pago & Envío
Condiciones generales
Programa de recomendación
GDPR
CERRAR
Comprador anónimo
Iniciar sesión
Código de descuento:
Comprobar
CARRITO VACÍO
ORDENAR
CERRAR
Destino de la entrega
Austria
Belgium
Bulgaria
Croatia
Cyprus
Czech Republic
Denmark
Estonia
Finland
France
Germany
Greece
Hungary
Ireland
Italy
Latvia
Lithuania
Luxembourg
Malta
Netherlands
Poland
Portugal
Romania
Slovakia
Slovenia
Spain
Sweden
Argentina
Australia
Bahrain
Barbados
Belarus
Bolivia
Bosnia and Herzegovina
Brazil
Brunei
Canada
Chile
China
Colombia
Ecuador
El Salvador
Ethiopia
Fiji
French Polynesia
Gibraltar
Guam
Hong Kong
Iceland
India
Indonesia
Israel
Jamaica
Japan
Jordan
Kazakhstan
Kenya
Kuwait
Lebanon
Liechtenstein
Macedonia
Malaysia
Maldives
Marshall Islands
Martinique
Mauritius
Mexico
Moldova
Montenegro
Namibia
Netherlands Antilles
New Caledonia
New Zealand
Northern Mariana Islands
Norway
Peru
Philippines
Puerto Rico
Reunion
Russia
Saudi Arabia
Serbia
Seychelles
Singapore
South Africa
South Korea
Spain Canary Islands
Sri Lanka
Switzerland
Taiwan
Tanzania
Thailand
Turkey
Ukraine
United Arab Emirates
United Kingdom
United States
Uruguay
Vanuatu
Virgin Islands (U.S.)
ZIP/Código postal
Opción de envío
Espere el envío
Opción de pago
Espere el pago
Correo electrónico
Teléfono
Nombre completo
Compañía
Dirección de la calle 1
Dirección de la calle 2
Ciudad
Estado/Provincia
Mensaje para el vendedor
PAGO
CERRAR
COMPRAR
Elija la moneda
Elija el idioma
English
Deutsche
Français
Italiano
Español
Polskie
Magyar
Ελληνική
Suomalainen
Svenska
やまと
Carb manufacturer:
DELLORTO
WEBER
Carb model:
22 IM
24/30 DCZC 1
24/32 DDC
26 DTR
26 IMB
26 OC 10
28 ICP
28 IMB
28/32 ADHA
28/36 DCD
28/36 DLE
28/36 DM A1
30 DGS
30 DICA
32 ADFA
32 DCOF
32 DCOF 2
32 DCOF 6
32 DIR 38
32 DMSA
32 DMTR 20
32 IBA 20
32 OF
32/34 DFT
32/34 DMTL
32/36 DFAV/DFEV
32/36 DGAV 4
32/36 DGAV/DGEV
32/36 DGV 5A
34 ADM 0
34 DMTR 21
34 DMTR 39
34 IBP
34 ICH
34 ICT
34 IMPE
35 DCNL 2/3
36 ADL 1/250
36 DCD
36 DCNVA 16
36 DCNVA 6
36 DCS
36 IDF 44/45
38 DCN
38 DCNL 5
38 DCOE 59/60
38 DGAS/DGES
40 DCM
40 DCN
40 DCNF
40 DCNL
40 DCO 3
40 DCOE early type
40 DCOE emission model
40 DCOE late type
40 DCOM 6/7
40 DCZ
40 DFAV
40 DFI
40 DFO
40 IDA 3C
40 IDF 13/15
40 IDF 70
42 DCNF 2
42 DCOE 8
44 IDF 40/41
44 IDF 71
45 DCOE 152
45 DCOE early
45 DFC 1
46 IDA 3C
48 DCO SP
48 DCOE 98/99
48 IDA
48 IDF 6
50 DCO
58 DCO 3
Share link to this diagram
Descargar la vista detallada en PDF
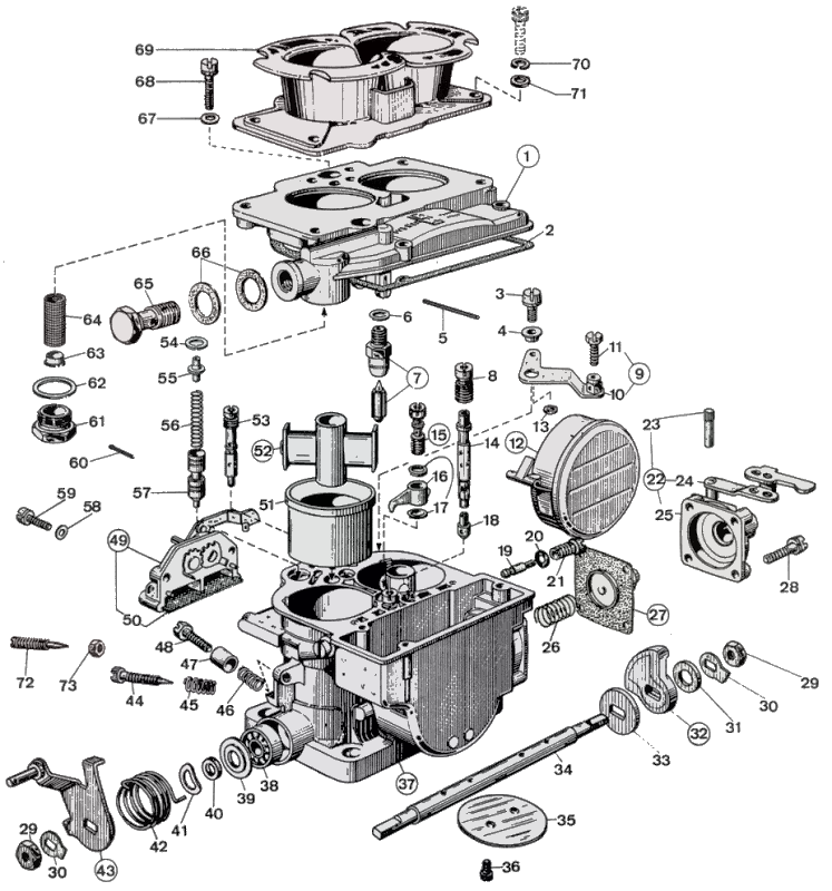
WEBER 42 DCNF 2 diagrama de partes
-
haga clic en parte para ver más
Lista de partes:
No
Parte No
Precio
Pzas.
Descripción
1
31716.096
-
1
Carburetor Top Cover
2
41705.029
$ 9.6
1
Top Cover Gasket
3
64700.012
$ 3.3
1
Lever Fixing Screw
4
12775.010
$ 10.2
1
Bushing For Lever
5
52000.010
$ 2.6
1
Float Fulcrum Pin
6
41535.015
-
1
Needle valve gasket
7
64240.015
$ 10.6
1
Float needle valve
8
41370.001
$ 7.8
2
Emulsion tube holder air corrector
9
45096.020
-
1
Leva a squadro completa di:
10
45096.019
-
1
— Lever
11
64615.004
-
1
- Screw securing wire
12
41015.005
$ 108
1
Float
13
55510.056
$ 1.7
1
Flat Washer
14
61450.225
$ 37
2
Emulsion Tube
15
64290.014
$ 41.9
1
Pump Delivery Valve
16
41252.018
$ 15.8
1
Pump Jet
17
41530.012
-
2
Pump jet gasket
18
41115.003
$ 7.4
2
Main jet
19
41160.005
$ 5.4
2
Idle jet
20
41565.002
-
2
Idle jet holder O Ring seal
21
52570.006
$ 9
2
Idle Jet Holder
22
32486.036
-
1
Accelerator Pump Cover Assembly Includes
23
52000.021
-
1
— Pin
24
45138.008
-
1
— Throttle Lever
25
32484.001
-
1
— Pump diaphragm cover
26
47600.092
-
1
Pump Spring
27
47407.050
$ 15.9
1
Pump diaphragm
28
64700.006
-
4
Pump Cover Screw
29
34710.003
$ 1.4
2
Throttle Spindle Nut
30
55520.004
$ 1.4
2
Throttle Shaft Lock Washer
31
55510.006
-
1
Washer For Shaft
32
14852.010
-
1
Pump Cam
33
55555.005
$ 3.1
1
Shaft Spacer
34
10005.211
$ 99.9
1
Throttle Shaft
35
64005.033
$ 35.4
2
Throttle Valve
36
64520.027
-
4
Throttle plate screw
37
-
-
1
Carburetor Body
38
32650.001
$ 6.6
2
Throttle Shaft Bearing
39
58000.017
$ 5.1
2
Spring Retaining Cover
40
12750.053
-
2
Shaft Distance Piece
41
55530.010
-
2
Wavy Washer
42
47610.078
$ 6.6
1
Primary Shaft Return Spring
43
45041.050
-
1
Throttles control lever
44
64750.003
$ 5.1
2
Idle mixture screw
45
47600.007
$ 3.2
2
Idle Mixture Screw Spring
46
47600.007
$ 3.2
1
Throttle Stop Screw Spring
47
12785.013
-
1
Bushing
48
64625.014
-
1
Throttle Stop Screw
49
32556.019
-
1
Starter control, including:
50
37000.016
$ 7.6
1
— Filter Screen
51
34914.006
-
2
Venturi (Choke)
52
31956.003
-
2
Auxiliary Venturi
53
41205.151
$ 16.3
2
Starter Jet
54
10140.002
$ 4.3
2
Spring Clip
55
12775.024
$ 5.8
2
Spring guide and retainer
56
47600.139
$ 5.8
2
Starter Valve Spring
57
64330.008
$ 31.8
2
Starter Valve
58
55510.038
-
2
Flat Washer
59
64700.004
$ 4
2
Pump Cover Screw
60
32610.006
-
1
— Spilt pin
61
61002.010
$ 9
1
Fuel Filter Cover
62
41530.024
-
1
Fuel Filter Gasket
63
61060.001
-
1
Filter Washer
64
37020.002
$ 5.7
1
Fuel Filter Element
65
12715.021
$ 41.4
1
Fuel Union Bolt
66
41530.001
-
2
Gasket
67
55510.034
-
4
Spring Washer
68
64700.005
-
4
Top Cover Fixing Screw
69
52848.001
$ 138
1
Air Horn
70
55525.001
-
4
Spring Washer
71
55510.034
-
4
Spring Washer
72
64750.002
$ 12.4
2
Air by-pass screw
73
-
WEBER 42 DCNF 2
Exploded view
https://www.carbparts.eu
Los precios y la disponibilidad de los productos están sujetos a cambios
WEBER 42 DCNF 2
Lista de partes
https://www.carbparts.eu
Los precios y la disponibilidad de los productos están sujetos a cambios
No
Parte No
Precio
Pzas.
Descripción
1
31716.096
-
1
Carburetor Top Cover
2
41705.029
$ 9.6
1
Top Cover Gasket
3
64700.012
$ 3.3
1
Lever Fixing Screw
4
12775.010
$ 10.2
1
Bushing For Lever
5
52000.010
$ 2.6
1
Float Fulcrum Pin
6
41535.015
-
1
Needle valve gasket
7
64240.015
$ 10.6
1
Float needle valve
8
41370.001
$ 7.8
2
Emulsion tube holder air corrector
9
45096.020
-
1
Leva a squadro completa di:
10
45096.019
-
1
— Lever
11
64615.004
-
1
- Screw securing wire
12
41015.005
$ 108
1
Float
13
55510.056
$ 1.7
1
Flat Washer
14
61450.225
$ 37
2
Emulsion Tube
15
64290.014
$ 41.9
1
Pump Delivery Valve
16
41252.018
$ 15.8
1
Pump Jet
17
41530.012
-
2
Pump jet gasket
18
41115.003
$ 7.4
2
Main jet
19
41160.005
$ 5.4
2
Idle jet
20
41565.002
-
2
Idle jet holder O Ring seal
21
52570.006
$ 9
2
Idle Jet Holder
22
32486.036
-
1
Accelerator Pump Cover Assembly Includes
23
52000.021
-
1
— Pin
24
45138.008
-
1
— Throttle Lever
25
32484.001
-
1
— Pump diaphragm cover
26
47600.092
-
1
Pump Spring
27
47407.050
$ 15.9
1
Pump diaphragm
28
64700.006
-
4
Pump Cover Screw
29
34710.003
$ 1.4
2
Throttle Spindle Nut
30
55520.004
$ 1.4
2
Throttle Shaft Lock Washer
31
55510.006
-
1
Washer For Shaft
32
14852.010
-
1
Pump Cam
33
55555.005
$ 3.1
1
Shaft Spacer
34
10005.211
$ 99.9
1
Throttle Shaft
35
64005.033
$ 35.4
2
Throttle Valve
36
64520.027
-
4
Throttle plate screw
37
-
-
1
Carburetor Body
No
Parte No
Precio
Pzas.
Descripción
38
32650.001
$ 6.6
2
Throttle Shaft Bearing
39
58000.017
$ 5.1
2
Spring Retaining Cover
40
12750.053
-
2
Shaft Distance Piece
41
55530.010
-
2
Wavy Washer
42
47610.078
$ 6.6
1
Primary Shaft Return Spring
43
45041.050
-
1
Throttles control lever
44
64750.003
$ 5.1
2
Idle mixture screw
45
47600.007
$ 3.2
2
Idle Mixture Screw Spring
46
47600.007
$ 3.2
1
Throttle Stop Screw Spring
47
12785.013
-
1
Bushing
48
64625.014
-
1
Throttle Stop Screw
49
32556.019
-
1
Starter control, including:
50
37000.016
$ 7.6
1
— Filter Screen
51
34914.006
-
2
Venturi (Choke)
52
31956.003
-
2
Auxiliary Venturi
53
41205.151
$ 16.3
2
Starter Jet
54
10140.002
$ 4.3
2
Spring Clip
55
12775.024
$ 5.8
2
Spring guide and retainer
56
47600.139
$ 5.8
2
Starter Valve Spring
57
64330.008
$ 31.8
2
Starter Valve
58
55510.038
-
2
Flat Washer
59
64700.004
$ 4
2
Pump Cover Screw
60
32610.006
-
1
— Spilt pin
61
61002.010
$ 9
1
Fuel Filter Cover
62
41530.024
-
1
Fuel Filter Gasket
63
61060.001
-
1
Filter Washer
64
37020.002
$ 5.7
1
Fuel Filter Element
65
12715.021
$ 41.4
1
Fuel Union Bolt
66
41530.001
-
2
Gasket
67
55510.034
-
4
Spring Washer
68
64700.005
-
4
Top Cover Fixing Screw
69
52848.001
$ 138
1
Air Horn
70
55525.001
-
4
Spring Washer
71
55510.034
-
4
Spring Washer
72
64750.002
$ 12.4
2
Air by-pass screw
73
-