×
12678
Correo electrónico: sales
@
carbparts
.
eu
$
€
£
Calculadora de chorro
Tabla de chorro
Despieces
Manual de servicio
Mostrar todas las partes
PASE EL CURSOR POR ENCIMA DEL NúMERO DE PARTE
SE CIERRAN SOBRE EL NúMERO
Use este enlace para compartir:
Imprimir la página como diagrama
Sobre nosotros
Pago & Envío
Condiciones generales
Programa de recomendación
GDPR
CERRAR
Comprador anónimo
Iniciar sesión
Código de descuento:
Comprobar
CARRITO VACÍO
ORDENAR
CERRAR
Destino de la entrega
Austria
Belgium
Bulgaria
Croatia
Cyprus
Czech Republic
Denmark
Estonia
Finland
France
Germany
Greece
Hungary
Ireland
Italy
Latvia
Lithuania
Luxembourg
Malta
Netherlands
Poland
Portugal
Romania
Slovakia
Slovenia
Spain
Sweden
Argentina
Australia
Bahrain
Barbados
Belarus
Bolivia
Bosnia and Herzegovina
Brazil
Brunei
Canada
Chile
China
Colombia
Ecuador
El Salvador
Ethiopia
Fiji
French Polynesia
Gibraltar
Guam
Hong Kong
Iceland
India
Indonesia
Israel
Jamaica
Japan
Jordan
Kazakhstan
Kenya
Kuwait
Lebanon
Liechtenstein
Macedonia
Malaysia
Maldives
Marshall Islands
Martinique
Mauritius
Mexico
Moldova
Montenegro
Namibia
Netherlands Antilles
New Caledonia
New Zealand
Northern Mariana Islands
Norway
Peru
Philippines
Puerto Rico
Reunion
Russia
Saudi Arabia
Serbia
Seychelles
Singapore
South Africa
South Korea
Spain Canary Islands
Sri Lanka
Switzerland
Taiwan
Tanzania
Thailand
Turkey
Ukraine
United Arab Emirates
United Kingdom
United States
Uruguay
Vanuatu
Virgin Islands (U.S.)
ZIP/Código postal
Opción de envío
Espere el envío
Opción de pago
Espere el pago
Correo electrónico
Teléfono
Nombre completo
Compañía
Dirección de la calle 1
Dirección de la calle 2
Ciudad
Estado/Provincia
Mensaje para el vendedor
PAGO
CERRAR
COMPRAR
Elija la moneda
Elija el idioma
English
Deutsche
Français
Italiano
Español
Polskie
Magyar
Ελληνική
Suomalainen
Svenska
やまと
Carb manufacturer:
DELLORTO
WEBER
Carb model:
22 IM
24/30 DCZC 1
24/32 DDC
26 DTR
26 IMB
26 OC 10
28 ICP
28 IMB
28/32 ADHA
28/36 DCD
28/36 DLE
28/36 DM A1
30 DGS
30 DICA
32 ADFA
32 DCOF
32 DCOF 2
32 DCOF 6
32 DIR 38
32 DMSA
32 DMTR 20
32 IBA 20
32 OF
32/34 DFT
32/34 DMTL
32/36 DFAV/DFEV
32/36 DGAV 4
32/36 DGAV/DGEV
32/36 DGV 5A
34 ADM 0
34 DMTR 21
34 DMTR 39
34 IBP
34 ICH
34 ICT
34 IMPE
35 DCNL 2/3
36 ADL 1/250
36 DCD
36 DCNVA 16
36 DCNVA 6
36 DCS
36 IDF 44/45
38 DCN
38 DCNL 5
38 DCOE 59/60
38 DGAS/DGES
40 DCM
40 DCN
40 DCNF
40 DCNL
40 DCO 3
40 DCOE early type
40 DCOE emission model
40 DCOE late type
40 DCOM 6/7
40 DCZ
40 DFAV
40 DFI
40 DFO
40 IDA 3C
40 IDF 13/15
40 IDF 70
42 DCNF 2
42 DCOE 8
44 IDF 40/41
44 IDF 71
45 DCOE 152
45 DCOE early
45 DFC 1
46 IDA 3C
48 DCO SP
48 DCOE 98/99
48 IDA
48 IDF 6
50 DCO
58 DCO 3
Share link to this diagram
Descargar la vista detallada en PDF
WEBER 44 IDF 40/41 diagrama de partes
-
haga clic en parte para ver más
Lista de partes:
No
Parte No
Precio
Pzas.
Descripción
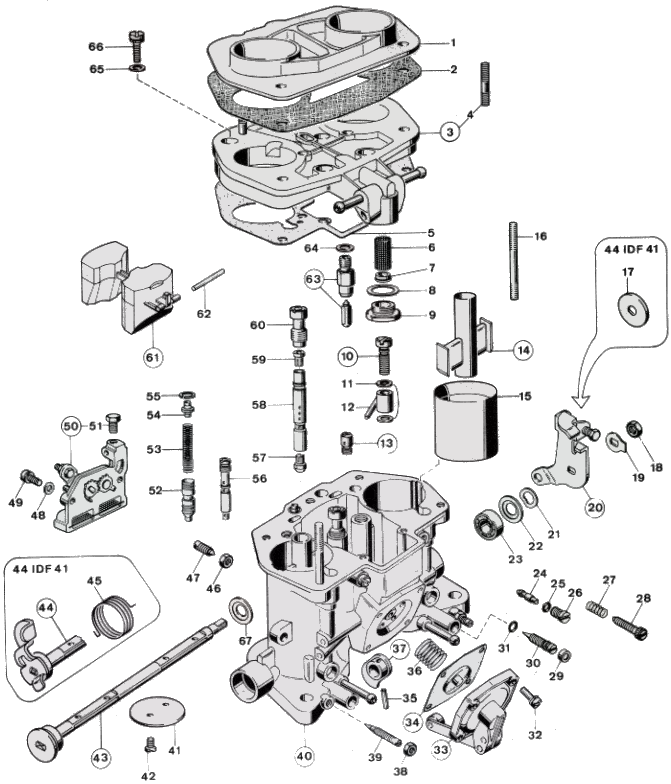
1
52848.007
-
1
Air Horn
2
41655.020
$ 5.3
1
Air Horn Gasket
3
31716.380
-
1
Carburetor cover Assy, including:
4
64955.104
-
2
Stud
5
41705.043
$ 5.1
1
Carburettor Cover Gasket
6
37020.002
$ 5.7
1
Fuel Filter Element
7
61060.001
-
1
Filter Washer
8
41530.024
-
1
Fuel Filter Gasket
9
61002.010
$ 9
1
Fuel Filter Cover
10
64290.016
$ 41.9
2
Pump Demand Valve
11
41530.012
-
4
Pump jet gasket
12
76210.040
$ 21.2
2
Pump jet
13
79701.000
$ 13.3
1
Back bleed valve
14
71102.450
$ 42.7
2
Auxiliary Venturi
15
71507.340
$ 31.7
2
Choke tube
16
64955.113
-
2
Stud
17
55555.005
$ 3.1
1
Shaft Spacer
18
34710.003
$ 1.4
1
Throttle Spindle Nut
19
55520.004
$ 1.4
1
Throttle Shaft Lock Washer
20
45048.078
-
1
Throttle control lever
21
55530.005
$ 7.7
1
Spring Ring
22
58000.015
$ 5.1
1
Spring Retaining Cover
23
32650.001
$ 6.6
1
Throttle Shaft Bearing
24
74405.055
$ 5.1
2
Idle Jet
25
41565.002
-
2
O-Ring For Idle Jet Holder
26
52570.006
$ 9
2
Idle Jet Holder
27
47600.007
$ 3.2
1
Idle Mixture Screw Spring
28
64585.005
-
1
Throttle stop screw
29
61075.013
$ 7.2
2
Idle mixture tamper proof plug
30
64750.051
$ 14.1
2
Idling adjusting screw
31
41565.010
-
2
Idle Mixture Screw O Ring
32
64700.004
$ 4
4
Pump Cover Screw
33
32486.071
-
1
Accelerator Pump Cover
34
47407.027
$ 15
1
Pump diaphragm
35
58445.001
-
1
Fixing Pin
36
47600.028
$ 4.9
1
Diaphragm Loading Spring
37
14852.007
-
1
Pump Cam
38
34705.006
$ 1
2
Air By-Pass Screw Locking Nut
39
64750.029
$ 12.4
2
Air by-pass screw
40
-
-
1
Carburetor Body
41
64005.103
$ 18.4
2
Throttle Valve
42
64520.027
-
4
Throttle plate screw
43
10020.419
-
1
Throttle Shaft
44
10020.420
-
1
Throttle Shaft
45
47610.035
$ 12.4
1
Throttle Return Spring
46
55510.038
-
2
Flat Washer
46
34715.015
-
2
Fixing Nut
47
64830.002
$ 6.7
2
Choke Tube Fixing Screw
48
55510.038
-
2
Flat Washer
49
64700.004
$ 4
2
Pump Cover Screw
50
32556.005
-
1
— Cold Start Unit
51
64605.017
$ 2
1
— Choke Cable Clamp
52
64330.009
$ 11.7
2
Starter Valve
53
47600.133
$ 4.1
2
Starter Valve Spring
54
12775.024
$ 5.8
2
Spring guide and retainer
55
10140.002
$ 4.3
2
Spring Clip
56
75605.090
$ 15.2
2
Starter Jet
57
73401.145
$ 5.4
2
Main Jet
58
61450.210
$ 20
2
Emulsion Tube
59
77401.180
$ 6.3
2
Air Correction Jet
60
52580.001
$ 9.2
2
Emulsion Tube Holder
61
41030.008
$ 15.9
1
Float
62
52000.001
$ 3.2
1
Float Fulcrum Pin
63
79411.175
-
1
Float valve
64
83102.070
-
1
Needle valve gasket
65
55510.034
-
5
Spring Washer
66
64700.005
-
5
Top Cover Fixing Screw
67
58000.016
$ 5.1
1
Spring Retaining Cover
WEBER 44 IDF 40/41
Exploded view
https://www.carbparts.eu
Los precios y la disponibilidad de los productos están sujetos a cambios
WEBER 44 IDF 40/41
Lista de partes
https://www.carbparts.eu
Los precios y la disponibilidad de los productos están sujetos a cambios
No
Parte No
Precio
Pzas.
Descripción
1
52848.007
-
1
Air Horn
2
41655.020
$ 5.3
1
Air Horn Gasket
3
31716.380
-
1
Carburetor cover Assy, including:
4
64955.104
-
2
Stud
5
41705.043
$ 5.1
1
Carburettor Cover Gasket
6
37020.002
$ 5.7
1
Fuel Filter Element
7
61060.001
-
1
Filter Washer
8
41530.024
-
1
Fuel Filter Gasket
9
61002.010
$ 9
1
Fuel Filter Cover
10
64290.016
$ 41.9
2
Pump Demand Valve
11
41530.012
-
4
Pump jet gasket
12
76210.040
$ 21.2
2
Pump jet
13
79701.000
$ 13.3
1
Back bleed valve
14
71102.450
$ 42.7
2
Auxiliary Venturi
15
71507.340
$ 31.7
2
Choke tube
16
64955.113
-
2
Stud
17
55555.005
$ 3.1
1
Shaft Spacer
18
34710.003
$ 1.4
1
Throttle Spindle Nut
19
55520.004
$ 1.4
1
Throttle Shaft Lock Washer
20
45048.078
-
1
Throttle control lever
21
55530.005
$ 7.7
1
Spring Ring
22
58000.015
$ 5.1
1
Spring Retaining Cover
23
32650.001
$ 6.6
1
Throttle Shaft Bearing
24
74405.055
$ 5.1
2
Idle Jet
25
41565.002
-
2
O-Ring For Idle Jet Holder
26
52570.006
$ 9
2
Idle Jet Holder
27
47600.007
$ 3.2
1
Idle Mixture Screw Spring
28
64585.005
-
1
Throttle stop screw
29
61075.013
$ 7.2
2
Idle mixture tamper proof plug
30
64750.051
$ 14.1
2
Idling adjusting screw
31
41565.010
-
2
Idle Mixture Screw O Ring
32
64700.004
$ 4
4
Pump Cover Screw
33
32486.071
-
1
Accelerator Pump Cover
34
47407.027
$ 15
1
Pump diaphragm
No
Parte No
Precio
Pzas.
Descripción
35
58445.001
-
1
Fixing Pin
36
47600.028
$ 4.9
1
Diaphragm Loading Spring
37
14852.007
-
1
Pump Cam
38
34705.006
$ 1
2
Air By-Pass Screw Locking Nut
39
64750.029
$ 12.4
2
Air by-pass screw
40
-
-
1
Carburetor Body
41
64005.103
$ 18.4
2
Throttle Valve
42
64520.027
-
4
Throttle plate screw
43
10020.419
-
1
Throttle Shaft
44
10020.420
-
1
Throttle Shaft
45
47610.035
$ 12.4
1
Throttle Return Spring
46
55510.038
-
2
Flat Washer
46
34715.015
-
2
Fixing Nut
47
64830.002
$ 6.7
2
Choke Tube Fixing Screw
48
55510.038
-
2
Flat Washer
49
64700.004
$ 4
2
Pump Cover Screw
50
32556.005
-
1
— Cold Start Unit
51
64605.017
$ 2
1
— Choke Cable Clamp
52
64330.009
$ 11.7
2
Starter Valve
53
47600.133
$ 4.1
2
Starter Valve Spring
54
12775.024
$ 5.8
2
Spring guide and retainer
55
10140.002
$ 4.3
2
Spring Clip
56
75605.090
$ 15.2
2
Starter Jet
57
73401.145
$ 5.4
2
Main Jet
58
61450.210
$ 20
2
Emulsion Tube
59
77401.180
$ 6.3
2
Air Correction Jet
60
52580.001
$ 9.2
2
Emulsion Tube Holder
61
41030.008
$ 15.9
1
Float
62
52000.001
$ 3.2
1
Float Fulcrum Pin
63
79411.175
-
1
Float valve
64
83102.070
-
1
Needle valve gasket
65
55510.034
-
5
Spring Washer
66
64700.005
-
5
Top Cover Fixing Screw
67
58000.016
$ 5.1
1
Spring Retaining Cover