×
12678
Correo electrónico: sales
@
carbparts
.
eu
$
€
£
Calculadora de chorro
Tabla de chorro
Despieces
Manual de servicio
Mostrar todas las partes
PASE EL CURSOR POR ENCIMA DEL NúMERO DE PARTE
SE CIERRAN SOBRE EL NúMERO
Use este enlace para compartir:
Imprimir la página como diagrama
Sobre nosotros
Pago & Envío
Condiciones generales
Programa de recomendación
GDPR
CERRAR
Comprador anónimo
Iniciar sesión
Código de descuento:
Comprobar
CARRITO VACÍO
ORDENAR
CERRAR
Destino de la entrega
Austria
Belgium
Bulgaria
Croatia
Cyprus
Czech Republic
Denmark
Estonia
Finland
France
Germany
Greece
Hungary
Ireland
Italy
Latvia
Lithuania
Luxembourg
Malta
Netherlands
Poland
Portugal
Romania
Slovakia
Slovenia
Spain
Sweden
Argentina
Australia
Bahrain
Barbados
Belarus
Bolivia
Bosnia and Herzegovina
Brazil
Brunei
Canada
Chile
China
Colombia
Ecuador
El Salvador
Ethiopia
Fiji
French Polynesia
Gibraltar
Guam
Hong Kong
Iceland
India
Indonesia
Israel
Jamaica
Japan
Jordan
Kazakhstan
Kenya
Kuwait
Lebanon
Liechtenstein
Macedonia
Malaysia
Maldives
Marshall Islands
Martinique
Mauritius
Mexico
Moldova
Montenegro
Namibia
Netherlands Antilles
New Caledonia
New Zealand
Northern Mariana Islands
Norway
Peru
Philippines
Puerto Rico
Reunion
Russia
Saudi Arabia
Serbia
Seychelles
Singapore
South Africa
South Korea
Spain Canary Islands
Sri Lanka
Switzerland
Taiwan
Tanzania
Thailand
Turkey
Ukraine
United Arab Emirates
United Kingdom
United States
Uruguay
Vanuatu
Virgin Islands (U.S.)
ZIP/Código postal
Opción de envío
Espere el envío
Opción de pago
Espere el pago
Correo electrónico
Teléfono
Nombre completo
Compañía
Dirección de la calle 1
Dirección de la calle 2
Ciudad
Estado/Provincia
Mensaje para el vendedor
PAGO
CERRAR
COMPRAR
Elija la moneda
Elija el idioma
English
Deutsche
Français
Italiano
Español
Polskie
Magyar
Ελληνική
Suomalainen
Svenska
やまと
Carb manufacturer:
DELLORTO
WEBER
Carb model:
22 IM
24/30 DCZC 1
24/32 DDC
26 DTR
26 IMB
26 OC 10
28 ICP
28 IMB
28/32 ADHA
28/36 DCD
28/36 DLE
28/36 DM A1
30 DGS
30 DICA
32 ADFA
32 DCOF
32 DCOF 2
32 DCOF 6
32 DIR 38
32 DMSA
32 DMTR 20
32 IBA 20
32 OF
32/34 DFT
32/34 DMTL
32/36 DFAV/DFEV
32/36 DGAV 4
32/36 DGAV/DGEV
32/36 DGV 5A
34 ADM 0
34 DMTR 21
34 DMTR 39
34 IBP
34 ICH
34 ICT
34 IMPE
35 DCNL 2/3
36 ADL 1/250
36 DCD
36 DCNVA 16
36 DCNVA 6
36 DCS
36 IDF 44/45
38 DCN
38 DCNL 5
38 DCOE 59/60
38 DGAS/DGES
40 DCM
40 DCN
40 DCNF
40 DCNL
40 DCO 3
40 DCOE early type
40 DCOE emission model
40 DCOE late type
40 DCOM 6/7
40 DCZ
40 DFAV
40 DFI
40 DFO
40 IDA 3C
40 IDF 13/15
40 IDF 70
42 DCNF 2
42 DCOE 8
44 IDF 40/41
44 IDF 71
45 DCOE 152
45 DCOE early
45 DFC 1
46 IDA 3C
48 DCO SP
48 DCOE 98/99
48 IDA
48 IDF 6
50 DCO
58 DCO 3
Share link to this diagram
Descargar la vista detallada en PDF
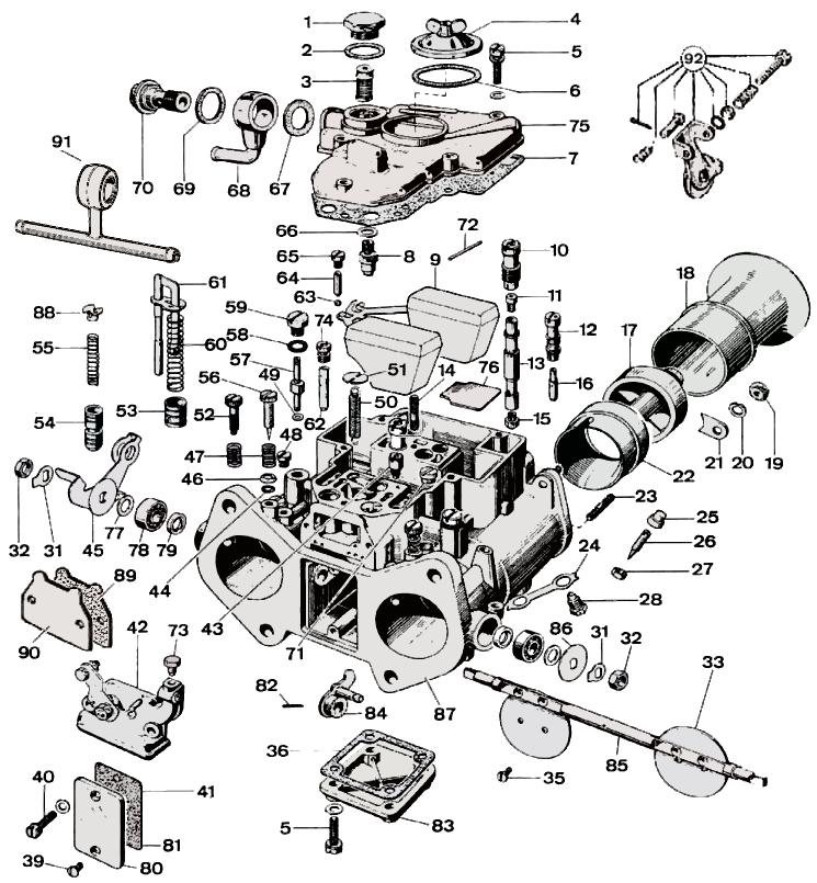
WEBER 45 DCOE 152 diagrama de partes
-
haga clic en parte para ver más
Lista de partes:
No
Parte No
Precio
Pzas.
Descripción
92.1514.05
-
1
Repair kit
92.0362.05
-
1
Gasket kit
1
61002.010
$ 9
1
Filter cover
2
41530.024
-
1
Filter cover gasket
3
37022.002
$ 7.4
1
Filter element
4
32376.003
$ 15.2
1
Jet inspection cover
5
64700.001
-
9
Screw
6
41550.002
$ 1.4
1
Jet inspection cover gasket
7
41715.011
$ 3.3
1
Top cover gasket
8
79503.200
$ 15.9
1
Needle valve
9
41030.034
$ 19.1
1
Float
10
52580.001
$ 9.2
2
Emulsion tube holder
11
77401.155
$ 6.3
2
Air corrector jet
12
52585.006
$ 10.8
2
Idle jet holder
13
61450.181
$ 13.3
2
Emulsion tube
14
64955.007
$ 13.6
1
Stud
15
73401.145
$ 5.4
2
Main jet
16
74821.055
$ 6.7
2
Idle jet
17
69602.450
$ 45
2
Auxillary venturi
18
52840.001
$ 32.8
2
Air horn
19
34705.004
-
4
Air horn fixing nut
20
55525.010
-
4
Spring nut
21
52150.012
$ 1.6
4
Air horn tab
22
72116.360
$ 18.4
2
Venturi (choke tube)
23
64955.110
-
4
Stud
24
52155.003
$ 3.2
2
Lock Tab
25
14945.003
$ 2.1
2
Air by-pass screw cap
26
64750.002
$ 12.4
2
Air by-pass screw
27
34705.001
$ 1
2
By-pass screw lock nut
28
64840.003
$ 6.7
4
Locking screw
31
55520.004
$ 1.4
2
Lock washer
32
34710.003
$ 1.4
2
Throttle nut
33
64005.044
$ 17.4
2
Throttle plate
35
64520.027
-
4
Throttle plate screw
36
41640.001
$ 5.1
1
Bottom cover gasket
39
64750.009
$ 1
2
Inspection cover fixing screw
40
64700.004
$ 4
2
Choke cover fixing screw
41
41640.021
$ 1.6
1
Pump cover gasket
42
32556.018
$ 48.6
1
Choke cover
43
79701.040
$ 13.2
1
Pump Exhaust Valve
44
41565.002
-
2
Idle Mixture Screw ´O´ Ring
45
45048.007
$ 17.3
1
Throttle Lever
46
58000.006
$ 2.6
2
Idle Mixture Screw Cup Washer
47
47600.007
$ 3.2
3
Spring
48
64590.008
$ 11.7
2
Vacuum Take-Off Cover
49
41535.021
$ 1.4
2
Pump Jet Gasket
50
47605.012
$ 3.2
1
Spring
51
52210.006
$ 2.1
1
Spring Anchor Plate
52
64625.012
$ 10.8
1
Throttle Stop Screw
53
58602.003
$ 12.4
1
Pump plunger
54
64330.003
$ 11.7
2
Starter valve
55
47600.105
$ 5.8
2
Starter valve spring
56
64750.003
$ 5.1
2
Idle mixture screw
57
76801.045
$ 9.3
2
Pump jet
58
41565.009
-
2
Pump jet o ring
59
61015.008
$ 15
2
Pump jet cover
60
47600.064
$ 9.2
1
Pump rod spring
61
10410.015
$ 11.7
1
Pump Rod
62
75507.085
$ 20
2
Starter jet
63
58300.003
-
2
Pump Demand Valve Ball
64
52730.001
$ 6.6
2
Pump Valve Weight
65
58070.008
$ 6.7
2
Pump Demand Valve Cover
66
83102.120
-
1
Needle valve gasket
67
41530.031
-
1
Fuel union gasket
68
10536.035
$ 13.3
1
Fuel union
69
41530.024
-
1
Fuel union gasket
70
12715.008
$ 11.4
1
Fuel union bolt
71
61015.009
$ 10
2
Progression Hole Inspection Cvr
72
52000.001
$ 3.2
1
Float pin
73
64605.017
$ 2
1
Choke Cable Clamp
74
77505.150
$ 11.7
2
Starter air jet
75
31734.197
$ 63.1
1
Carburetor top cover
76
52130.003
$ 3.3
1
Plate
77
55510.128
$ 3.2
2
Washer
78
32650.001
$ 6.6
2
Bearing
79
41575.019
$ 4.5
2
O ring
80
52135.024
$ 8.3
1
Inspection cover
81
41640.021
$ 1.6
1
Inspection cover gasket
82
58445.001
-
1
Pin
83
32374.008
$ 23.6
1
Cover
84
45082.005
$ 20.1
1
Pump Cam
85
10005.447
$ 120
1
Throttle spindle
86
55555.010
$ 3.3
1
Washer
87
-
1
Carburetor body
88
52030.003
$ 5.8
2
Spring retainer
89
ST2283
$ 1.6
1
Blanking plate gasket
90
52135.008
$ 6.2
1
Blanking plate
91
10536.034
$ 23
1
Fuel inlet T pipe
92
45048.149
$ 30
1
Balance lever
WEBER 45 DCOE 152
Exploded view
https://www.carbparts.eu
Los precios y la disponibilidad de los productos están sujetos a cambios
WEBER 45 DCOE 152
Lista de partes
https://www.carbparts.eu
Los precios y la disponibilidad de los productos están sujetos a cambios
No
Parte No
Precio
Pzas.
Descripción
92.1514.05
-
1
Repair kit
92.0362.05
-
1
Gasket kit
1
61002.010
$ 9
1
Filter cover
2
41530.024
-
1
Filter cover gasket
3
37022.002
$ 7.4
1
Filter element
4
32376.003
$ 15.2
1
Jet inspection cover
5
64700.001
-
9
Screw
6
41550.002
$ 1.4
1
Jet inspection cover gasket
7
41715.011
$ 3.3
1
Top cover gasket
8
79503.200
$ 15.9
1
Needle valve
9
41030.034
$ 19.1
1
Float
10
52580.001
$ 9.2
2
Emulsion tube holder
11
77401.155
$ 6.3
2
Air corrector jet
12
52585.006
$ 10.8
2
Idle jet holder
13
61450.181
$ 13.3
2
Emulsion tube
14
64955.007
$ 13.6
1
Stud
15
73401.145
$ 5.4
2
Main jet
16
74821.055
$ 6.7
2
Idle jet
17
69602.450
$ 45
2
Auxillary venturi
18
52840.001
$ 32.8
2
Air horn
19
34705.004
-
4
Air horn fixing nut
20
55525.010
-
4
Spring nut
21
52150.012
$ 1.6
4
Air horn tab
22
72116.360
$ 18.4
2
Venturi (choke tube)
23
64955.110
-
4
Stud
24
52155.003
$ 3.2
2
Lock Tab
25
14945.003
$ 2.1
2
Air by-pass screw cap
26
64750.002
$ 12.4
2
Air by-pass screw
27
34705.001
$ 1
2
By-pass screw lock nut
28
64840.003
$ 6.7
4
Locking screw
31
55520.004
$ 1.4
2
Lock washer
32
34710.003
$ 1.4
2
Throttle nut
33
64005.044
$ 17.4
2
Throttle plate
35
64520.027
-
4
Throttle plate screw
36
41640.001
$ 5.1
1
Bottom cover gasket
39
64750.009
$ 1
2
Inspection cover fixing screw
40
64700.004
$ 4
2
Choke cover fixing screw
41
41640.021
$ 1.6
1
Pump cover gasket
42
32556.018
$ 48.6
1
Choke cover
43
79701.040
$ 13.2
1
Pump Exhaust Valve
44
41565.002
-
2
Idle Mixture Screw ´O´ Ring
45
45048.007
$ 17.3
1
Throttle Lever
46
58000.006
$ 2.6
2
Idle Mixture Screw Cup Washer
47
47600.007
$ 3.2
3
Spring
48
64590.008
$ 11.7
2
Vacuum Take-Off Cover
No
Parte No
Precio
Pzas.
Descripción
49
41535.021
$ 1.4
2
Pump Jet Gasket
50
47605.012
$ 3.2
1
Spring
51
52210.006
$ 2.1
1
Spring Anchor Plate
52
64625.012
$ 10.8
1
Throttle Stop Screw
53
58602.003
$ 12.4
1
Pump plunger
54
64330.003
$ 11.7
2
Starter valve
55
47600.105
$ 5.8
2
Starter valve spring
56
64750.003
$ 5.1
2
Idle mixture screw
57
76801.045
$ 9.3
2
Pump jet
58
41565.009
-
2
Pump jet o ring
59
61015.008
$ 15
2
Pump jet cover
60
47600.064
$ 9.2
1
Pump rod spring
61
10410.015
$ 11.7
1
Pump Rod
62
75507.085
$ 20
2
Starter jet
63
58300.003
-
2
Pump Demand Valve Ball
64
52730.001
$ 6.6
2
Pump Valve Weight
65
58070.008
$ 6.7
2
Pump Demand Valve Cover
66
83102.120
-
1
Needle valve gasket
67
41530.031
-
1
Fuel union gasket
68
10536.035
$ 13.3
1
Fuel union
69
41530.024
-
1
Fuel union gasket
70
12715.008
$ 11.4
1
Fuel union bolt
71
61015.009
$ 10
2
Progression Hole Inspection Cvr
72
52000.001
$ 3.2
1
Float pin
73
64605.017
$ 2
1
Choke Cable Clamp
74
77505.150
$ 11.7
2
Starter air jet
75
31734.197
$ 63.1
1
Carburetor top cover
76
52130.003
$ 3.3
1
Plate
77
55510.128
$ 3.2
2
Washer
78
32650.001
$ 6.6
2
Bearing
79
41575.019
$ 4.5
2
O ring
80
52135.024
$ 8.3
1
Inspection cover
81
41640.021
$ 1.6
1
Inspection cover gasket
82
58445.001
-
1
Pin
83
32374.008
$ 23.6
1
Cover
84
45082.005
$ 20.1
1
Pump Cam
85
10005.447
$ 120
1
Throttle spindle
86
55555.010
$ 3.3
1
Washer
87
-
1
Carburetor body
88
52030.003
$ 5.8
2
Spring retainer
89
ST2283
$ 1.6
1
Blanking plate gasket
90
52135.008
$ 6.2
1
Blanking plate
91
10536.034
$ 23
1
Fuel inlet T pipe
92
45048.149
$ 30
1
Balance lever